Cambio de levas en el volante. S type r
-
arturo.art25
- En rodaje...

- Mensajes: 16
- Registrado: 02 Abr 2015 18:33
Cambio de levas en el volante. S type r
Muy buenas, me estoy plantando realizar un estudio de como adaptar unas levas al volante, mi gran problema es el cambio en j de jaguar, que no tiene secuencial.
¿alguien lo ha intentado o desarrollado?
Un saludo
¿alguien lo ha intentado o desarrollado?
Un saludo
Re: Cambio de levas en el volante. S type r
Hola arturo.art25:arturo.art25 escribió:Muy buenas, me estoy planteando realizar un estudio de como adaptar unas levas al volante, mi gran problema es el cambio en j de jaguar, que no tiene secuencial.
¿alguien lo ha intentado o desarrollado?
Un saludo
Vayamos por partes, quien tiene que soportar el cambio secuencial es la caja de cambios y no el artificio con el que gestionas la caja de cambios.
La caja de cambios automática del S-Type (posterior a 2003) ZF 6HP26 lo soporta, de hecho, con el cambio en J cuando pasas la palanca de D a 5, cambia de 6ª a 5ª y así sucesivamente con el resto hasta 2ª (el BMW X6 que monta la misma caja, si tiene la palanca con la implementación que tu quieres y lo mismo los modelos de Audi, Aston Martin y RollsRoyce que la montan). Cosa distinta es que la palanca con un movimiento hacaia atrás y hacia adelante, quedando siempre en la misma psoición vertical, provoque cambio de marcha y anule el funcionamiento automático. Esta operación es software y no mecánica, aunque tenga representación mecánica aparente.
Cuando se me estropeó el ECU JGM (ordenador que informa al resto sobre la posición que acabas de fijar en la palanca en J), la desmonté y observé que el mecanismo en J es de lo más ingenioso, pues carece de cualquier contacto eléctrico para informar de la posición en la que está ubicada, lo hace con 2 imanes y un sensor (no terminé de averiguar como funciona exactamente).
Ya te anticipo que lo que pretendes es demasiado complejo como para que se pueda realizar, no digo que sea imposible pero si complejo, porque el ECU JGM informa al ECU TCM (ordenador que gestiona la caja de cambios automática) mediante mensajes, no con señales eléctricas. Si descargas el manual eléctrico del S-Type de 2005 y miras en el apéndice de mensajes del bus CAN (en el de 2006 Jaguar eliminó dicho apéndice) y te fijas que mensajes tienen como origen el JGM, por tanto una T (Transmitted) en la dicha columna y destino el ECU TCM, por tanto una R (Received) en su columna, el primer mensaje de la página 189 (del lector de PDF), lo que informa el JGM al TCM es en que posición está ubicada la palanca en J y no que tiene que hacer, siendo el ECU TCM el que decide que hacer en función del mensaje recibido y del contexto de ese momento (demanda de carga, inclinación, demanda de aceleración, etc.).
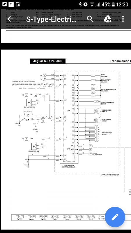
El manual eléctrico de 2005 lo descargas de aquí: http://jagrepair.com/images/AutoRepairP ... 2005on.pdf
Saludos
Javier
- citronio
- Cortando encendido...

- Mensajes: 2053
- Registrado: 25 Oct 2010 15:37
- Ubicación: por las hermosas tierras del levante valenciano (Xàtiva)
Re: Cambio de levas en el volante. S type r
Hola, eso en tu modelo es imposible, no tienes un cambio secuencial, tienes una caja de cambios de convertidor de par con posible selección manual, pero nunca secuencial por impulsos.
Imposible, lo siento
Imposible, lo siento
-
arturo.art25
- En rodaje...

- Mensajes: 16
- Registrado: 02 Abr 2015 18:33
Re: Cambio de levas en el volante. S type r
Hola arturo.art25:
Lo primero felicitarte por tu tenacidad y lo segundo agradecer que lo cuentes.
Después de una lectura rápida (en diagonal) del proyecto, identifico que no menciona nada sobre la integración con el sistema de control de la caja de cambio automático (con el módulo TCM), ni a quien se conectan los cables que salen de las levas, por lo que veo realmente muy difícil, que se pueda ejecutar.
Toda máquina incluye dos componentes: potencia y control. Está muy bien descrito el componente de potencia, pero no hay nada escrito sobre el componente de control (enfoque estático, frente a enfoque dinámico).
En los modelos Jaguar XK, XJ y S-Type el control de la caja de cambio automático se implanta con la palanca en J, cuyo funcionamiento está basado en sensores de Efecto Hall (tienen la ventaja, que no requieren contacto mecánico, por tanto no hay desgastes), sin embargo, quien se comunica con el ordenador TCM que gobierna la caja de cambio automático ZF 6HP26 (para abrir y cerrar las válvulas por las que circula el ATF para conectar/desconectar los engranajes) es un ordenador, conectado al bus CAN de alta velocidad del vehículo (referido como JGM), al que están conectados todos los ordenadores del tren motriz y el control está implantado con mensajes.
En los modelos Jaguar XK y XF (posteriores a 2006) ya vienen de serie las levas integradas en el volante, ha sido sustituida la palanca en J por una rueda, con la que se selecciona el estado (Parking, Retroceso, Neutral y Drive), estando conectadas las levas al mismo ordenador que dicha rueda, por tanto, los deseos del conductor (cuando pulsa las levas) se transforman en órdenes locales del ordenador JGM que genera las instrucciones para el ordenador TCM que gobierna la caja de cambio automática y se las transmite con mensajes.
Como a partir del Model Year 2005, Jaguar ha retirado los apéndices con los mensajes que se intercambian entre si los diferentes ordenadores del sistema de control, no sabemos cuántos mensajes incluye el protocolo de control entre el módulo de control de la rueda y levas del selector (Electronic Transmission Shift) y el módulo de control TCM de la caja de cambio automático (que es del fabricante BOSCH) y que incluye el fabricante ZF en la caja 6HP26 o 6HP28.
En el modelo X-Type, que es el que aborda en el proyecto, a la vista del esquema Fig. 04.1 (Automatic Transmission: 16-Bit TCM), parece que la conexión se realizaría a las entradas 2 y 3 (con 2 bit hay 4 posibilidades para gestionar los 4 cambios de 5ª a 1ª), pero esto es a primera vista, habría que mirarlo en detalle. Resumiendo que esta estrategia de control (no la parte mecánica) no sirve para el S-Type.
Sugiero eches un vistazo a los apéndices del manual eléctrico del S-Type Model Year 2005, donde están las tablas con los mensajes que intecambian entre sí los ECU conectados al bus CAN y al bus SCP, para que te hagas una idea de como está implantado el control, por tanto, que hay que hacer a nivel de control para seguir siendo compatible con la arquitectura del mismo en su conjunto cuando se suplantan componentes.
Lo dicho, enhorabuena, ánimo y muchas gracias por contarlo.
Saludos
Javier
Lo primero felicitarte por tu tenacidad y lo segundo agradecer que lo cuentes.
Después de una lectura rápida (en diagonal) del proyecto, identifico que no menciona nada sobre la integración con el sistema de control de la caja de cambio automático (con el módulo TCM), ni a quien se conectan los cables que salen de las levas, por lo que veo realmente muy difícil, que se pueda ejecutar.
Toda máquina incluye dos componentes: potencia y control. Está muy bien descrito el componente de potencia, pero no hay nada escrito sobre el componente de control (enfoque estático, frente a enfoque dinámico).
En los modelos Jaguar XK, XJ y S-Type el control de la caja de cambio automático se implanta con la palanca en J, cuyo funcionamiento está basado en sensores de Efecto Hall (tienen la ventaja, que no requieren contacto mecánico, por tanto no hay desgastes), sin embargo, quien se comunica con el ordenador TCM que gobierna la caja de cambio automático ZF 6HP26 (para abrir y cerrar las válvulas por las que circula el ATF para conectar/desconectar los engranajes) es un ordenador, conectado al bus CAN de alta velocidad del vehículo (referido como JGM), al que están conectados todos los ordenadores del tren motriz y el control está implantado con mensajes.
En los modelos Jaguar XK y XF (posteriores a 2006) ya vienen de serie las levas integradas en el volante, ha sido sustituida la palanca en J por una rueda, con la que se selecciona el estado (Parking, Retroceso, Neutral y Drive), estando conectadas las levas al mismo ordenador que dicha rueda, por tanto, los deseos del conductor (cuando pulsa las levas) se transforman en órdenes locales del ordenador JGM que genera las instrucciones para el ordenador TCM que gobierna la caja de cambio automática y se las transmite con mensajes.
Como a partir del Model Year 2005, Jaguar ha retirado los apéndices con los mensajes que se intercambian entre si los diferentes ordenadores del sistema de control, no sabemos cuántos mensajes incluye el protocolo de control entre el módulo de control de la rueda y levas del selector (Electronic Transmission Shift) y el módulo de control TCM de la caja de cambio automático (que es del fabricante BOSCH) y que incluye el fabricante ZF en la caja 6HP26 o 6HP28.
En el modelo X-Type, que es el que aborda en el proyecto, a la vista del esquema Fig. 04.1 (Automatic Transmission: 16-Bit TCM), parece que la conexión se realizaría a las entradas 2 y 3 (con 2 bit hay 4 posibilidades para gestionar los 4 cambios de 5ª a 1ª), pero esto es a primera vista, habría que mirarlo en detalle. Resumiendo que esta estrategia de control (no la parte mecánica) no sirve para el S-Type.
Sugiero eches un vistazo a los apéndices del manual eléctrico del S-Type Model Year 2005, donde están las tablas con los mensajes que intecambian entre sí los ECU conectados al bus CAN y al bus SCP, para que te hagas una idea de como está implantado el control, por tanto, que hay que hacer a nivel de control para seguir siendo compatible con la arquitectura del mismo en su conjunto cuando se suplantan componentes.
Lo dicho, enhorabuena, ánimo y muchas gracias por contarlo.
Saludos
Javier
-
arturo.art25
- En rodaje...

- Mensajes: 16
- Registrado: 02 Abr 2015 18:33
Re: Cambio de levas en el volante. S type r
Insisto de nuevo javier,
No quiero ser pesado el con el tema, pero en la descripción eléctrica del apartado "J GATE ASSEMBLY" esta clara que la comunicacion con el apatartado de "TRANSMISSION CONTROL MODULE" es por medio de "CAN". Pero por otro lado tiene que haber en el conjunto "J GATE ASSEMBLY" al mover la palanca de la P-R-N-D-5-4-3-2, un contacto mecanico (sensor inductivo, leva, imán....). Una vez que cambias de la posición D a 5 entra en mancha un circuito alternativo anulando los posicionamientos 2-3-4 de "J GATE ASSEMBLY" de la parte manual, es decir, una vez pongas la palanca en "manual 5" ese contacto nos manda al circuito de levas el cual ya está posicionado en "manual 5", una vez estemos en ese punto, realizamos todas las marchas con levas.
Mi idea es colocar un logo de siemens y desarrollar un programa sencillo con dos pulsadores de libre potencia haciendo la función de levas, así sólo tendría que programar el logo, de esta manera te aseguras de que antes de montar todo el procedimiento es correcto.
Perdona si hay alguna fallo ortográfico, o simplemente me estoy volviendo loco, trabajo en la rama de ingieneria mecánica industrial como técnico mecanico y no me gusta que se me atraganten ideas en mi cabeza.
Muchas gracias por contestar siempre con tanga rapidez y contundencia, es un placer.
Saludos Javier
No quiero ser pesado el con el tema, pero en la descripción eléctrica del apartado "J GATE ASSEMBLY" esta clara que la comunicacion con el apatartado de "TRANSMISSION CONTROL MODULE" es por medio de "CAN". Pero por otro lado tiene que haber en el conjunto "J GATE ASSEMBLY" al mover la palanca de la P-R-N-D-5-4-3-2, un contacto mecanico (sensor inductivo, leva, imán....). Una vez que cambias de la posición D a 5 entra en mancha un circuito alternativo anulando los posicionamientos 2-3-4 de "J GATE ASSEMBLY" de la parte manual, es decir, una vez pongas la palanca en "manual 5" ese contacto nos manda al circuito de levas el cual ya está posicionado en "manual 5", una vez estemos en ese punto, realizamos todas las marchas con levas.
Mi idea es colocar un logo de siemens y desarrollar un programa sencillo con dos pulsadores de libre potencia haciendo la función de levas, así sólo tendría que programar el logo, de esta manera te aseguras de que antes de montar todo el procedimiento es correcto.
Perdona si hay alguna fallo ortográfico, o simplemente me estoy volviendo loco, trabajo en la rama de ingieneria mecánica industrial como técnico mecanico y no me gusta que se me atraganten ideas en mi cabeza.
Muchas gracias por contestar siempre con tanga rapidez y contundencia, es un placer.
Saludos Javier
Re: Cambio de levas en el volante. S type r
Hola arturo.art25:
Empezaré diciendo que admiro a la gente que tiene agallas y está dispuesta a hincar los codos, así es que te ayudaré en lo que sepa y pueda. A partir de aquí, vamos a abordar el problema con el mínimo de rigor que requiere la ingeniería de sistemas.
Como tenemos que hacer ingeniería inversa, tenemos que ir desde el final hasta el principio, recorriendo el camino en sentido inverso. El documento que vamos a utilizar es:
1.- Manual eléctrico del S-Type 2005, que en su apéndice tiene los mensajes que intercambian entre si los ECU para el control, tanto por bus CAN como por bus SCP.
Los componentes de control implicados en el problema son 2 ordenadores:
1.- JGM (J Gate Module), ubicado inmediatamente debajo de la tapa negra de la palanca en J
2.- TCM (Transmission Control Module), ubicado en el interior de la caja de cambios en el módulo MECATRONICS
La forma de comunicarse estos 2 ordenadores (JGM y TCM) entre sí es:
1.- Mensajería síncrona por bus CAN (emite uno y reciben todos)
2.- Inventario de mensajes que emite el JGM y recibe el TCM (tienen una T en la matriz de mensajes CAN en la columna JGM y una R en la columna TCM)
3.- Inventario de mensajes que emite el TCM y recibe el JGM (tienen una T en la matriz de mensajes CAN en la columna TCM y una R en la columna JGM)
Comportamiento del sistema que no se puede modificar, a menos que se sustituyan los 2 ordenadores implicados o uno de ellos y su software:
1.- Generación de órdenes, lo realiza el ordenador JGM
2.- Ejecución de órdenes, lo realiza el ordenador TCM
Funciones que se pueden ejecutar en base a los mensajes con origen en JGM y destino en TCM. Como estamos realizando ingeniería inversa, hay que deducirlas a partir de los mensajes con T (Transmitted) en JGM y R (Received) en TCM:
1.- Intermediate position fault
2.- J-GATE fault
3.- J-GATE position selected
4.- Performance mode switch
Ahora los mensajes con origen TCM y destino JGM:
1.- Gear position selected
2.- Gear selection fault
3.- J-GATE selection fault
4.- Performance mode indication
Ahora realizamos abstracción:
1.- La única cosa que el ordenador JGM es capaz de indicar al ordenador TCM, en relación con que marcha se debe engranar (mensaje: J-GATE position selected), es la posición en la que está ubicada la palanca (P, R, N, D, 5, 4, 3, 2).
2.- La única cosa que el ordenador TCM es capaz de indicar al ordenador JGM es la confirmación de la ejecución de las órdenes solicitadas por el ordenador JGM.
3.- No hay mensajes del tipo subir de marcha ni bajar de marcha, por tanto, esta funcionalidad habría que generarla a partir de lo que permiten los mensajes existentes (protocolo).
Veamos ahora que entradas tiene el módulo JGM para ver por donde se puede atacar, para lo cual, nos fijamos en el esquema que tú has puesto (Fig. 04.1), que líneas provenientes del exterior tienen un triángulo con una I (de Input) inscrita dentro y observamos que la línea que se conecta en CA245-3 cumple dichos requisitos. Proviene del esquema Fig. 09.2. Vamos a dicho esquema y no vemos ninguna referencia, pero observamos que dicha línea se corresponde con alimentación eléctrica (+) para iluminar el interruptor del modo Sport, que viene del ECU FEM (FRONT ELECTRONIC MODULE) que gobierna la alimentación eléctrica de la parte frontal del vehículo (cuyos relés y fusibles están en la caja ubicada en el vano motor).
Podemos concluir, que para incorporar nuevas entradas para generar órdenes sobre las marchas y transmitirlas al ordenador TCM, habría que sustituir el módulo JGM por otro con funcionalidad ampliada. Una referencia para su especificación y diseño sería el módulo GSM (Gear Shift Module) que gestiona la rueda y levas en el Jaguar XF.
Esto lo he escrito sobre la marcha, sin mucha reflexión, podría haber algo que se me escapa que quizás lo permita. Lo que sí es un hecho, es que el Jaguar XF con motor 2.7D V6 tiene la misma caja de cambio automática XF 6HP26 que el S-Type con el mismo motor, aunque no estoy seguro si la versión del ECU TCM es la misma, pero me huele, que no. En el catálogo electrónico de repuestos jaguar (JEPC) no hay referencia para el ordenadro TCM, solo hay referencia para la caja de cambios nueva o reconstruida d eintercambio.
No te desanimes y sigue, aunque a partir del Model Year 2005, desafortunadamente hay menos información por parte de Jaguar.
La palanca en J es un sensor de Efecto Hall (pulsos generados a partir del posicionamiento de un imán). Esto está integrado en la elctrónica del módulo JGM, del que no hay detalles. Ete m´dulo parece diseñado por Jaguar, ya que hasta el Model Year 2002, cuando solo había bus SCP y la caja de cambios era de FORD y no de ZF, la tapa solo incluía iluminación para realimentación visual noctura de la posición de la palanca.
Saludos
Javier
PD: Si me envias en un MP tu mail, te puedo enviar un par de libros que te pueden venir bien.
Empezaré diciendo que admiro a la gente que tiene agallas y está dispuesta a hincar los codos, así es que te ayudaré en lo que sepa y pueda. A partir de aquí, vamos a abordar el problema con el mínimo de rigor que requiere la ingeniería de sistemas.
Como tenemos que hacer ingeniería inversa, tenemos que ir desde el final hasta el principio, recorriendo el camino en sentido inverso. El documento que vamos a utilizar es:
1.- Manual eléctrico del S-Type 2005, que en su apéndice tiene los mensajes que intercambian entre si los ECU para el control, tanto por bus CAN como por bus SCP.
Los componentes de control implicados en el problema son 2 ordenadores:
1.- JGM (J Gate Module), ubicado inmediatamente debajo de la tapa negra de la palanca en J
2.- TCM (Transmission Control Module), ubicado en el interior de la caja de cambios en el módulo MECATRONICS
La forma de comunicarse estos 2 ordenadores (JGM y TCM) entre sí es:
1.- Mensajería síncrona por bus CAN (emite uno y reciben todos)
2.- Inventario de mensajes que emite el JGM y recibe el TCM (tienen una T en la matriz de mensajes CAN en la columna JGM y una R en la columna TCM)
3.- Inventario de mensajes que emite el TCM y recibe el JGM (tienen una T en la matriz de mensajes CAN en la columna TCM y una R en la columna JGM)
Comportamiento del sistema que no se puede modificar, a menos que se sustituyan los 2 ordenadores implicados o uno de ellos y su software:
1.- Generación de órdenes, lo realiza el ordenador JGM
2.- Ejecución de órdenes, lo realiza el ordenador TCM
Funciones que se pueden ejecutar en base a los mensajes con origen en JGM y destino en TCM. Como estamos realizando ingeniería inversa, hay que deducirlas a partir de los mensajes con T (Transmitted) en JGM y R (Received) en TCM:
1.- Intermediate position fault
2.- J-GATE fault
3.- J-GATE position selected
4.- Performance mode switch
Ahora los mensajes con origen TCM y destino JGM:
1.- Gear position selected
2.- Gear selection fault
3.- J-GATE selection fault
4.- Performance mode indication
Ahora realizamos abstracción:
1.- La única cosa que el ordenador JGM es capaz de indicar al ordenador TCM, en relación con que marcha se debe engranar (mensaje: J-GATE position selected), es la posición en la que está ubicada la palanca (P, R, N, D, 5, 4, 3, 2).
2.- La única cosa que el ordenador TCM es capaz de indicar al ordenador JGM es la confirmación de la ejecución de las órdenes solicitadas por el ordenador JGM.
3.- No hay mensajes del tipo subir de marcha ni bajar de marcha, por tanto, esta funcionalidad habría que generarla a partir de lo que permiten los mensajes existentes (protocolo).
Veamos ahora que entradas tiene el módulo JGM para ver por donde se puede atacar, para lo cual, nos fijamos en el esquema que tú has puesto (Fig. 04.1), que líneas provenientes del exterior tienen un triángulo con una I (de Input) inscrita dentro y observamos que la línea que se conecta en CA245-3 cumple dichos requisitos. Proviene del esquema Fig. 09.2. Vamos a dicho esquema y no vemos ninguna referencia, pero observamos que dicha línea se corresponde con alimentación eléctrica (+) para iluminar el interruptor del modo Sport, que viene del ECU FEM (FRONT ELECTRONIC MODULE) que gobierna la alimentación eléctrica de la parte frontal del vehículo (cuyos relés y fusibles están en la caja ubicada en el vano motor).
Podemos concluir, que para incorporar nuevas entradas para generar órdenes sobre las marchas y transmitirlas al ordenador TCM, habría que sustituir el módulo JGM por otro con funcionalidad ampliada. Una referencia para su especificación y diseño sería el módulo GSM (Gear Shift Module) que gestiona la rueda y levas en el Jaguar XF.
Esto lo he escrito sobre la marcha, sin mucha reflexión, podría haber algo que se me escapa que quizás lo permita. Lo que sí es un hecho, es que el Jaguar XF con motor 2.7D V6 tiene la misma caja de cambio automática XF 6HP26 que el S-Type con el mismo motor, aunque no estoy seguro si la versión del ECU TCM es la misma, pero me huele, que no. En el catálogo electrónico de repuestos jaguar (JEPC) no hay referencia para el ordenadro TCM, solo hay referencia para la caja de cambios nueva o reconstruida d eintercambio.
No te desanimes y sigue, aunque a partir del Model Year 2005, desafortunadamente hay menos información por parte de Jaguar.
La palanca en J es un sensor de Efecto Hall (pulsos generados a partir del posicionamiento de un imán). Esto está integrado en la elctrónica del módulo JGM, del que no hay detalles. Ete m´dulo parece diseñado por Jaguar, ya que hasta el Model Year 2002, cuando solo había bus SCP y la caja de cambios era de FORD y no de ZF, la tapa solo incluía iluminación para realimentación visual noctura de la posición de la palanca.
Saludos
Javier
PD: Si me envias en un MP tu mail, te puedo enviar un par de libros que te pueden venir bien.
-
arturo.art25
- En rodaje...

- Mensajes: 16
- Registrado: 02 Abr 2015 18:33
Re: Cambio de levas en el volante. S type r
Buenos dias,
Muchas gracias por toda la información, sera de bastante ayuda, perdona el tardar en contestar.
Tengo localizado en un desguace cercano un "JGM" y me llevo muy bien con el dueño, seguramente cuando lo vaya a mandar para chatarra le digo que me de un toque para que me deje realizar su despiece.
Estudiare el caso que me planteas del XF con caja 6HP26.Le tengo informado de qalquier avance que realice.
Un saludo Javier, y le vuelvo a dar las gracias.
arturo.art25@gmail.com
Muchas gracias por toda la información, sera de bastante ayuda, perdona el tardar en contestar.
Tengo localizado en un desguace cercano un "JGM" y me llevo muy bien con el dueño, seguramente cuando lo vaya a mandar para chatarra le digo que me de un toque para que me deje realizar su despiece.
Estudiare el caso que me planteas del XF con caja 6HP26.Le tengo informado de qalquier avance que realice.
Un saludo Javier, y le vuelvo a dar las gracias.
arturo.art25@gmail.com