Cambio de radio a navegador táctil en s-type
Cambio de radio a navegador táctil en s-type
Buenas a todos de nuevo, ya he adquirido mi jaguar s-type, y ahora me gustaría hacerle un pequeño ''tuneo'' siempre que fuera posible, por eso os pregunto. La cuestión es la siguiente.
Primero pongo las características de mi coche: Es el S-type 4.2 v8 atmosférico de 2004, versión de antes de restyling de 2004, y del que quiero coger las piezas es de un S-type R de 2004 también que está para despiece.
Me gustaría saber si sería posible cambiar la radio que trae el mío por el navegador táctil que trae el r. Según me dijo el chico que tiene el r dice que es una tarea complicada, así que si es así pero me podéis informar si algunos de vosotros lo habéis hecho os estaría agradecido.
PD: si fuera posible el cambio lo haría en la casa oficial, no quiero jugármela. ¿Que opináis?
Primero pongo las características de mi coche: Es el S-type 4.2 v8 atmosférico de 2004, versión de antes de restyling de 2004, y del que quiero coger las piezas es de un S-type R de 2004 también que está para despiece.
Me gustaría saber si sería posible cambiar la radio que trae el mío por el navegador táctil que trae el r. Según me dijo el chico que tiene el r dice que es una tarea complicada, así que si es así pero me podéis informar si algunos de vosotros lo habéis hecho os estaría agradecido.
PD: si fuera posible el cambio lo haría en la casa oficial, no quiero jugármela. ¿Que opináis?
Re: Cambio de radio a navegador táctil en s-type
Hola leoncillo:leoncillo escribió:...Primero pongo las características de mi coche: Es el S-type 4.2 v8 atmosférico de 2004, versión de antes de restyling de 2004, y del que quiero coger las piezas es de un S-type R de 2004 también que está para despiece.
Me gustaría saber si sería posible cambiar la radio que trae el mío por el navegador táctil que trae el r. Según me dijo el chico que tiene el r dice que es una tarea complicada, así que si es así pero me podéis informar si algunos de vosotros lo habéis hecho os estaría agradecido...
Para intuir lo que se puede hacer es imprescindible saber exactamente el Model Year de tu vehículo y el Model Year del vehículo donante (posición 10 del VIN). Los detalles de como descodificar el VIN los tienes en: http://www.forojaguar.com/foro/viewtopi ... =34&t=7572
El cambio que pretendes afecta al menos a los siguientes ordenadores (ECUs), es decir a su software:
1.- AUDIO UNIT (se conecta a bus SCP y actua de pasarela con el bus D2B)
2.- NAVIGATION CONTROL MODULE (se conecta a bus SCP y al bus D2B)
3.- AIR CONDITIONING CONTROL MODULE (se conecta a bus CAN)
Puedes hacerte un idea del sistema de control del S-Type leyendo el artículo:
http://www.forojaguar.com/foro/viewtopi ... =23&t=7832
La documentación que necesitas la puedes obtener de. http://jagrepair.com/JaguarSTypeElectri ... Icodes.htm
Debes leer el manual eléctrico que corresponda al Model Year de tu vehículo y del vehículo donante y, los manuales (base y actualizaciones) "S-Type Technical Guide"
Saludos
Javier
Re: Cambio de radio a navegador táctil en s-type
Una opción más sencilla ,efectiva y posiblemente económica es poner una radio gps+dvd que incluyen un arsenal de nuevas tecnologias (dvd,tv,gps,bluetooth manos libres,wifi para acceso a internet,lector para sd....) y desde 150€ las encuentras , si tu stype es con el salpicadero antiguo deberia encajar en el hueco de la radio sin tener que hacer ajustes ya que son medidas standar , te pongo una pàgina pero existen muchas
http://es.eachbuyer.com/6-2-car-dvd-pla ... wgodGT0AHA
http://es.eachbuyer.com/6-2-car-dvd-pla ... wgodGT0AHA
Re: Cambio de radio a navegador táctil en s-type
muchas gracias por las respuestas y me voy a inclinar por la de ''galonso'', ya que tiene pinta de ser una operación bastante complicada y no me la quiero jugar con que después de puesto empieza a darme problemas!
Re: Cambio de radio a navegador táctil en s-type
Hola leoncillo:leoncillo escribió:muchas gracias por las respuestas y me voy a inclinar por la de ''galonso'', ya que tiene pinta de ser una operación bastante complicada y no me la quiero jugar con que después de puesto empieza a darme problemas!
Creo que es la mejor solución lo que propone galonso.
En cualquier caso si quitas el módulo de audio (radio+amplificador+reproductor de CD/cassette) tienes que ir al concesionario (o a quien tenga una sonda IDS de Jaguar o la versión para Jaguar de FORD y la sepa manejar) para eliminar dicho nodo de la red SCP, debido a que a través de esta red recibe la velocidad a la que va el vehículo (la reenvia el ordenador IC que la recibe del ordenador DSC, conectado al bus CAN y que hace de pasarela entre el bus CAN y el bus SCP) para aumentar o disminuir el volumen (sin que tu te des cuenta) en función de la misma.
Cuando arrancas el vehículo el software del ordenador IC (panel de instrumentos) hace una busqueda de los ordenadores conectados a la red CAN y a la red SCP para ver si están todos los ordenadores que tiene configurados y decide si autoriza el arranque del vehículo o no, previo al intercambio de credenciales cifradas con el ordenador ECM para saber que no ha sido robado y que también autoriza el arranque (todo esto se hace en 500ms).
Saludos
Javier
Re: Cambio de radio a navegador táctil en s-type
Javier muchas gracias por la aclaración (se ve que tienes mucha idea y la verdad que aprendo mucho gracias a vosotros), estoy seguro de que es un lío tremendo así que optaré por la otra opción. Es más he llamado a la jaguar de Sevilla este medio día y me han dicho que la propia marca no autoriza a hacer esos cambios en el vehículo, por lo que ellos ni lo hacen.
Una última pregunta, sabéis de algún taller tipo tuning por la zona de Sevilla donde tenga garantías que me van a hacer bien este cambio?? y sino lo sabéis, conoceís a alguien del foro que sea de mi tierra para preguntarle??
Gracias!
Miguel.
Una última pregunta, sabéis de algún taller tipo tuning por la zona de Sevilla donde tenga garantías que me van a hacer bien este cambio?? y sino lo sabéis, conoceís a alguien del foro que sea de mi tierra para preguntarle??
Gracias!
Miguel.
Re: Cambio de radio a navegador táctil en s-type
Hola Miguel:leoncillo escribió:Javier muchas gracias por la aclaración (se ve que tienes mucha idea y la verdad que aprendo mucho gracias a vosotros), estoy seguro de que es un lío tremendo así que optaré por la otra opción. Es más he llamado a la jaguar de Sevilla este medio día y me han dicho que la propia marca no autoriza a hacer esos cambios en el vehículo, por lo que ellos ni lo hacen.
Una última pregunta, sabéis de algún taller tipo tuning por la zona de Sevilla donde tenga garantías que me van a hacer bien este cambio?? y sino lo sabéis, conoceís a alguien del foro que sea de mi tierra para preguntarle??
Gracias!
Miguel.
Yo estoy en Madrid asi que desconozco el tema talleres por Sevilla, pero te diría hay que proceder como sigue:
1.- Quitas el módulo de audio
2.- Verificas si funciona el coche
3.- Instalas el nuevo equipo
Esto sería ideal que lo hiciese alguien especialista en audio de coches, porque llevandole el esquema eléctrico del coche, que en el post anterior te indiqúe de donde obtenerlo, te puede conectar los botones del volante para gestionar el nuevo equipo y esto es algo cómodo, por eso tiene que ser especialista en audio de automoción y no especialista de Jaguar.
La segunda parte que es desactivar el módulo de audio, haces la siguiente prueba:
1.- Desconectas el bus SCP (es un cable con dos hilos trenzados dentro de una pantalla) que tiene que estar en un conector y puede haber 2 versiones: a) que finalice en el conector o b) que entre y salga para ir a otro ordenador, en cuyo caso no se puede cortar porque cortarías la conexión de todos los ordenadores que quedan por detrás (dejas el conector al aire porque este ordenador no tiene resistencia de finalización de bus).
2.- Con el módulo de audio quitado, sin instalar el nuevo aún, arrancas el vehículo. Si arranca y se mantiene, puedes deshabilitar el módulo posteriormente. Si no arranca, vuelves a conectar el módulo de audio tal como estaba antes de desconectarlo y pruebas a arrancarlo. Si arranca, está todo bien. Si no arranca, ha funcionado la protección pasiva (PATS) y se ha bloquedao el ordenador ECM que controla el motor (bloquea el funcionamiento de la bomba de combustible que está empotrada en el depósito y la inyección), tendría que presentar un código en el display de mesnajes del velocímetro o del tacómetro, solicitando que se le proporcione el contra-código que hay que solicitar a Jaguar y se le introduce con la sonda IDS o la sonda SSD (la primera es la versión de cuando Jaguar pertenecía a FORD, hasta 2008, la segunda es la desarrollada por Jaguar a partir de que fué comprada por TATA).
En caso de haber sucedido lo segundo, hay que reconfigurar el ordeador Instrument Cluster primero, eliminándole el ordeandor AUDIO y luego le instalas el nuevo equipo.
Si ha funcionado la primera opción, tienes que reconfigurar el Instrument Cluster igualmente para eliminarle el ordenador de AUDIO, que es el que hace de pasarela entre el bus SCP y el bus D2B. Guarda el módulo de audio que le quites por si lo vendes y el nuevo comparador quiere ponerle instrucciones vocales, cargador de CD, etc.ç
Saludos
Javier
Re: Cambio de radio a navegador táctil en s-type
Javier primero que nada darte las gracias por el interés mostrado y segundo disculparme por haber tardado tanto en responder, pero he estado unos días en la playa y con el móvil como que es un poco coñazo. He estado preguntando a un mecánico conocido y me ha comentado que hay uno que es bastante bueno en Chiclana (Cádiz), veré si primero encuentro otro que esté más cerca y sino lo llevaré a él. Por supuesto le comentaré lo del esquema eléctrico para que conecte todo los botones del volante al audio, y si él no los tuviera se los facilitaría.
Un abrazo y gracias de nuevo por todo.
Miguel.
Un abrazo y gracias de nuevo por todo.
Miguel.
- citronio
- Cortando encendido...

- Mensajes: 2053
- Registrado: 25 Oct 2010 15:37
- Ubicación: por las hermosas tierras del levante valenciano (Xàtiva)
Re: Cambio de radio a navegador táctil en s-type
Hola Leoncillo. Es imposible conectar una pantalla si no la lleva de fábrica, falta mucha conexiones y gestiones automatizadas de las ECU. Por ahí ya no puedes ir. Es un tema ya muy comentado en el foro del S. Veo bien la opción de una pantalla universal que te puede instalar cualquier profesional de autorradios y electrónica del automóvil y sin mayor problema instalarte un módulo interfaz para los botones del volante.
Por otra parte si dices que tienes una pantalla táctildel despiece del R y al ver que no la usas, si aseguras que está en perfectas condiciones, a mi me podría interesar por tenerla como un posible futuro repuesto. En ese caso podrías poner unas fotos o decirme cuanto querrías por ella en un privado
saludos
Pepe
Por otra parte si dices que tienes una pantalla táctildel despiece del R y al ver que no la usas, si aseguras que está en perfectas condiciones, a mi me podría interesar por tenerla como un posible futuro repuesto. En ese caso podrías poner unas fotos o decirme cuanto querrías por ella en un privado
saludos
Pepe
-
cesargueta
- En rodaje...

- Mensajes: 8
- Registrado: 18 Oct 2021 16:48
Re: Cambio de radio a navegador táctil en s-type
Buenas tardes después de mirar y buscar en varios foros respecto al cambio de radio-cd a pantalla original de jaguar para mi jaguar S type de 2005, en los que decían que era imposible hacer el brico porque le faltan muchos elementos (unidades ópticas, cableados y configuraciones de las ECUS). En fin después de leer sobre la dificultad de montar todo el tinglado y el coste de todas las piezas (Dvd de navegación, Pantalla, Unidad de clima, cableado etc.) pensé en seguir con el equipo de radio + clima que trae mi gato y tiré la toalla en principio. Pero la faena era que por mi ignorancia de la incompatibilidad del montaje ya me había comprado una pantalla original del un jaguar Stype del año 2006 en ebay de Reino Unido. En verdad tampoco era grande la perdida por que solo me costo 70 euros y estaba impecable.
Pues bien como soy un cabezón no se me iba de la cabeza el cambio a pantalla (pero a la pantalla original y no a esos adaptadores para pantallas universales que lo que hacen es para mi opinión estropear el salpicadero) y así me senté en mi coche y me puse a pensar como podía hacerlo. Y se me ocurrió algo que en principio parecía algo descabellado pero que a la postre ha quedado de lujo.
Os explico el desarrollo de mi brico en el que he conseguido instalar la pantalla original del Stype en uno que no la trae de fabrica. El coste total ha rondado los 150 euros (una ganga para lo que ha ganado el coche). 70 euros la pantalla original en ebay y 80 euros una pantalla de 7" android tactil con cambus de jaguar.
Pues bien entro en faena y lo primero es desmontar la pantalla original vaciando todo el contenido de la misma (las tripas) quito panel y placa base, de manera que me queda una carcasa original del jaguar donde le voy a incorporar dentro una pantalla android de 7". Aunque esto suene a pelicula de terror os garantizo que con un poco de maña que da un resultado premium. Pues bien ya tengo mi nueva pantalla lista para ser instalada en mi gato.
El siguiente paso es la reubicación de los mandos del clima para que siga funcionando tal como viene de fabrica sin tener que modificar nada en las ECUS. En principio pensé reubicarlo en la guantera del lado del copiloto pero el manejo desde el lado del conductor es complicado y se pierde un espacio importante de almacenaje.
Buscando otro sitio se me ocurrió que debajo del reposabrazos central podría ser el sitio ideal y asi lo hize y como antes dije con un poco de maña el resultado es espectacular. Para llevar los mandos del clima al hueco bajo el reposabrazos central hay que prolongar el cableado del clima desde el salpicadero hasta el reposabrazos, unos 60 cms de 41 cables fino en varios colores de 60 cms de largo (prolongar cortando y pegando, con el polo negativo de la bateria desconectado.
Llegó el final lo conecto todo, el equipo android a la clavija de la radio jaguar y los conectores del clima alargados hasta su nueva ubicación, conecto la bateria y voalá equipazo instalado y funcionando todo a la perfección, y lo mejor de todo la satisfacción personal de un brico bien ejecutado y por primera vez conseguido algo que parecía imposible. Mi jaguar S type del 2005 ahora tiene un equipo multimedia android que parece instalado de origen con manejo desde los mandos del volante y con todo actualizado a 2020 (gps, bluetooth, usb. etc, y lo más importante el sonido es espectacular.
En fin de todo el proceso de este brico tengo fotos que intentaré subir al foro para que algunos valientes se animen a realizarlo en sus gatos. Este mismo brico es valido para los X type y los XJ con s
Pues bien como soy un cabezón no se me iba de la cabeza el cambio a pantalla (pero a la pantalla original y no a esos adaptadores para pantallas universales que lo que hacen es para mi opinión estropear el salpicadero) y así me senté en mi coche y me puse a pensar como podía hacerlo. Y se me ocurrió algo que en principio parecía algo descabellado pero que a la postre ha quedado de lujo.
Os explico el desarrollo de mi brico en el que he conseguido instalar la pantalla original del Stype en uno que no la trae de fabrica. El coste total ha rondado los 150 euros (una ganga para lo que ha ganado el coche). 70 euros la pantalla original en ebay y 80 euros una pantalla de 7" android tactil con cambus de jaguar.
Pues bien entro en faena y lo primero es desmontar la pantalla original vaciando todo el contenido de la misma (las tripas) quito panel y placa base, de manera que me queda una carcasa original del jaguar donde le voy a incorporar dentro una pantalla android de 7". Aunque esto suene a pelicula de terror os garantizo que con un poco de maña que da un resultado premium. Pues bien ya tengo mi nueva pantalla lista para ser instalada en mi gato.
El siguiente paso es la reubicación de los mandos del clima para que siga funcionando tal como viene de fabrica sin tener que modificar nada en las ECUS. En principio pensé reubicarlo en la guantera del lado del copiloto pero el manejo desde el lado del conductor es complicado y se pierde un espacio importante de almacenaje.
Buscando otro sitio se me ocurrió que debajo del reposabrazos central podría ser el sitio ideal y asi lo hize y como antes dije con un poco de maña el resultado es espectacular. Para llevar los mandos del clima al hueco bajo el reposabrazos central hay que prolongar el cableado del clima desde el salpicadero hasta el reposabrazos, unos 60 cms de 41 cables fino en varios colores de 60 cms de largo (prolongar cortando y pegando, con el polo negativo de la bateria desconectado.
Llegó el final lo conecto todo, el equipo android a la clavija de la radio jaguar y los conectores del clima alargados hasta su nueva ubicación, conecto la bateria y voalá equipazo instalado y funcionando todo a la perfección, y lo mejor de todo la satisfacción personal de un brico bien ejecutado y por primera vez conseguido algo que parecía imposible. Mi jaguar S type del 2005 ahora tiene un equipo multimedia android que parece instalado de origen con manejo desde los mandos del volante y con todo actualizado a 2020 (gps, bluetooth, usb. etc, y lo más importante el sonido es espectacular.
En fin de todo el proceso de este brico tengo fotos que intentaré subir al foro para que algunos valientes se animen a realizarlo en sus gatos. Este mismo brico es valido para los X type y los XJ con s
-
cesargueta
- En rodaje...

- Mensajes: 8
- Registrado: 18 Oct 2021 16:48
Re: Cambio de radio a navegador táctil en s-type
Buenas tardes después de mirar y buscar en varios foros respecto al cambio de radio-cd a pantalla original de jaguar para mi jaguar S type de 2005, en los que decían que era imposible hacer el brico porque le faltan muchos elementos (unidades ópticas, cableados y configuraciones de las ECUS). En fin después de leer sobre la dificultad de montar todo el tinglado y el coste de todas las piezas (Dvd de navegación, Pantalla, Unidad de clima, cableado etc.) pensé en seguir con el equipo de radio + clima que trae mi gato y tiré la toalla en principio. Pero la faena era que por mi ignorancia de la incompatibilidad del montaje ya me había comprado una pantalla original del un jaguar Stype del año 2006 en ebay de Reino Unido. En verdad tampoco era grande la perdida por que solo me costo 70 euros y estaba impecable.
Pues bien como soy un cabezón no se me iba de la cabeza el cambio a pantalla (pero a la pantalla original y no a esos adaptadores para pantallas universales que lo que hacen es para mi opinión estropear el salpicadero) y así me senté en mi coche y me puse a pensar como podía hacerlo. Y se me ocurrió algo que en principio parecía algo descabellado pero que a la postre ha quedado de lujo.
Os explico el desarrollo de mi brico en el que he conseguido instalar la pantalla original del Stype en uno que no la trae de fabrica. El coste total ha rondado los 150 euros (una ganga para lo que ha ganado el coche). 70 euros la pantalla original en ebay y 80 euros una pantalla de 7" android tactil con cambus de jaguar.
Pues bien entro en faena y lo primero es desmontar la pantalla original vaciando todo el contenido de la misma (las tripas) quito panel y placa base, de manera que me queda una carcasa original del jaguar donde le voy a incorporar dentro una pantalla android de 7". Aunque esto suene a pelicula de terror os garantizo que con un poco de maña que da un resultado premium. Pues bien ya tengo mi nueva pantalla lista para ser instalada en mi gato.
El siguiente paso es la reubicación de los mandos del clima para que siga funcionando tal como viene de fabrica sin tener que modificar nada en las ECUS. En principio pensé reubicarlo en la guantera del lado del copiloto pero el manejo desde el lado del conductor es complicado y se pierde un espacio importante de almacenaje.
Buscando otro sitio se me ocurrió que debajo del reposabrazos central podría ser el sitio ideal y asi lo hize y como antes dije con un poco de maña el resultado es espectacular. Para llevar los mandos del clima al hueco bajo el reposabrazos central hay que prolongar el cableado del clima desde el salpicadero hasta el reposabrazos, unos 60 cms de 41 cables fino en varios colores de 60 cms de largo (prolongar cortando y pegando, con el polo negativo de la bateria desconectado.
Llegó el final lo conecto todo, el equipo android a la clavija de la radio jaguar y los conectores del clima alargados hasta su nueva ubicación, conecto la bateria y voalá equipazo instalado y funcionando todo a la perfección, y lo mejor de todo la satisfacción personal de un brico bien ejecutado y por primera vez conseguido algo que parecía imposible. Mi jaguar S type del 2005 ahora tiene un equipo multimedia android que parece instalado de origen con manejo desde los mandos del volante y con todo actualizado a 2020 (gps, bluetooth, usb. etc, y lo más importante el sonido es espectacular.
En fin de todo el proceso de este brico tengo fotos que intentaré subir al foro para que algunos valientes se animen a realizarlo en sus gatos. Este mismo brico es valido para los X type y los XJ con salpicadero similar a Stype (2004-2008).
Pues bien como soy un cabezón no se me iba de la cabeza el cambio a pantalla (pero a la pantalla original y no a esos adaptadores para pantallas universales que lo que hacen es para mi opinión estropear el salpicadero) y así me senté en mi coche y me puse a pensar como podía hacerlo. Y se me ocurrió algo que en principio parecía algo descabellado pero que a la postre ha quedado de lujo.
Os explico el desarrollo de mi brico en el que he conseguido instalar la pantalla original del Stype en uno que no la trae de fabrica. El coste total ha rondado los 150 euros (una ganga para lo que ha ganado el coche). 70 euros la pantalla original en ebay y 80 euros una pantalla de 7" android tactil con cambus de jaguar.
Pues bien entro en faena y lo primero es desmontar la pantalla original vaciando todo el contenido de la misma (las tripas) quito panel y placa base, de manera que me queda una carcasa original del jaguar donde le voy a incorporar dentro una pantalla android de 7". Aunque esto suene a pelicula de terror os garantizo que con un poco de maña que da un resultado premium. Pues bien ya tengo mi nueva pantalla lista para ser instalada en mi gato.
El siguiente paso es la reubicación de los mandos del clima para que siga funcionando tal como viene de fabrica sin tener que modificar nada en las ECUS. En principio pensé reubicarlo en la guantera del lado del copiloto pero el manejo desde el lado del conductor es complicado y se pierde un espacio importante de almacenaje.
Buscando otro sitio se me ocurrió que debajo del reposabrazos central podría ser el sitio ideal y asi lo hize y como antes dije con un poco de maña el resultado es espectacular. Para llevar los mandos del clima al hueco bajo el reposabrazos central hay que prolongar el cableado del clima desde el salpicadero hasta el reposabrazos, unos 60 cms de 41 cables fino en varios colores de 60 cms de largo (prolongar cortando y pegando, con el polo negativo de la bateria desconectado.
Llegó el final lo conecto todo, el equipo android a la clavija de la radio jaguar y los conectores del clima alargados hasta su nueva ubicación, conecto la bateria y voalá equipazo instalado y funcionando todo a la perfección, y lo mejor de todo la satisfacción personal de un brico bien ejecutado y por primera vez conseguido algo que parecía imposible. Mi jaguar S type del 2005 ahora tiene un equipo multimedia android que parece instalado de origen con manejo desde los mandos del volante y con todo actualizado a 2020 (gps, bluetooth, usb. etc, y lo más importante el sonido es espectacular.
En fin de todo el proceso de este brico tengo fotos que intentaré subir al foro para que algunos valientes se animen a realizarlo en sus gatos. Este mismo brico es valido para los X type y los XJ con salpicadero similar a Stype (2004-2008).
- TheShadow
- Cortando encendido...

- Mensajes: 9188
- Registrado: 02 Jun 2006 18:52
- Ubicación: Madrid
- Contactar:
Re: Cambio de radio a navegador táctil en s-type
alaaaaaaa , queremos mas fotossss 
-
cesargueta
- En rodaje...

- Mensajes: 8
- Registrado: 18 Oct 2021 16:48
Re: Cambio de radio a navegador táctil en s-type
Buenas tardes después de mirar y buscar en varios foros respecto al cambio de radio-cd a pantalla original de jaguar para mi jaguar S type de 2005, en los que decían que era imposible hacer el brico porque le faltan muchos elementos (unidades ópticas, cableados y configuraciones de las ECUS). En fin después de leer sobre la dificultad de montar todo el tinglado y el coste de todas las piezas (Dvd de navegación, Pantalla, Unidad de clima, cableado etc.) pensé en seguir con el equipo de radio + clima que trae mi gato y tiré la toalla en principio. Pero la faena era que por mi ignorancia de la incompatibilidad del montaje ya me había comprado una pantalla original del un jaguar Stype del año 2006 en ebay de Reino Unido. En verdad tampoco era grande la perdida por que solo me costo 70 euros y estaba impecable.
Pues bien como soy un cabezón no se me iba de la cabeza el cambio a pantalla (pero a la pantalla original y no a esos adaptadores para pantallas universales que lo que hacen es para mi opinión estropear el salpicadero) y así me senté en mi coche y me puse a pensar como podía hacerlo. Y se me ocurrió algo que en principio parecía algo descabellado pero que a la postre ha quedado de lujo.
Os explico el desarrollo de mi brico en el que he conseguido instalar la pantalla original del Stype en uno que no la trae de fabrica. El coste total ha rondado los 150 euros (una ganga para lo que ha ganado el coche). 70 euros la pantalla original en ebay y 80 euros una pantalla de 7" android tactil con cambus de jaguar.
Pues bien entro en faena y lo primero es desmontar la pantalla original vaciando todo el contenido de la misma (las tripas) quito panel y placa base, de manera que me queda una carcasa original del jaguar donde le voy a incorporar dentro una pantalla android de 7". Aunque esto suene a pelicula de terror os garantizo que con un poco de maña que da un resultado premium. Pues bien ya tengo mi nueva pantalla lista para ser instalada en mi gato.
El siguiente paso es la reubicación de los mandos del clima para que siga funcionando tal como viene de fabrica sin tener que modificar nada en las ECUS. En principio pensé reubicarlo en la guantera del lado del copiloto pero el manejo desde el lado del conductor es complicado y se pierde un espacio importante de almacenaje.
Buscando otro sitio se me ocurrió que debajo del reposabrazos central podría ser el sitio ideal y asi lo hize y como antes dije con un poco de maña el resultado es espectacular. Para llevar los mandos del clima al hueco bajo el reposabrazos central hay que prolongar el cableado del clima desde el salpicadero hasta el reposabrazos, unos 60 cms de 41 cables fino en varios colores de 60 cms de largo (prolongar cortando y pegando, con el polo negativo de la bateria desconectado.
Llegó el final lo conecto todo, el equipo android a la clavija de la radio jaguar y los conectores del clima alargados hasta su nueva ubicación, conecto la bateria y voalá equipazo instalado y funcionando todo a la perfección, y lo mejor de todo la satisfacción personal de un brico bien ejecutado y por primera vez conseguido algo que parecía imposible. Mi jaguar S type del 2005 ahora tiene un equipo multimedia android que parece instalado de origen con manejo desde los mandos del volante y con todo actualizado a 2020 (gps, bluetooth, usb. etc, y lo más importante el sonido es espectacular.
En fin de todo el proceso de este brico tengo fotos que intentaré subir al foro para que algunos valientes se animen a realizarlo en sus gatos. Este mismo brico es valido para los X type y los XJ con s
Pues bien como soy un cabezón no se me iba de la cabeza el cambio a pantalla (pero a la pantalla original y no a esos adaptadores para pantallas universales que lo que hacen es para mi opinión estropear el salpicadero) y así me senté en mi coche y me puse a pensar como podía hacerlo. Y se me ocurrió algo que en principio parecía algo descabellado pero que a la postre ha quedado de lujo.
Os explico el desarrollo de mi brico en el que he conseguido instalar la pantalla original del Stype en uno que no la trae de fabrica. El coste total ha rondado los 150 euros (una ganga para lo que ha ganado el coche). 70 euros la pantalla original en ebay y 80 euros una pantalla de 7" android tactil con cambus de jaguar.
Pues bien entro en faena y lo primero es desmontar la pantalla original vaciando todo el contenido de la misma (las tripas) quito panel y placa base, de manera que me queda una carcasa original del jaguar donde le voy a incorporar dentro una pantalla android de 7". Aunque esto suene a pelicula de terror os garantizo que con un poco de maña que da un resultado premium. Pues bien ya tengo mi nueva pantalla lista para ser instalada en mi gato.
El siguiente paso es la reubicación de los mandos del clima para que siga funcionando tal como viene de fabrica sin tener que modificar nada en las ECUS. En principio pensé reubicarlo en la guantera del lado del copiloto pero el manejo desde el lado del conductor es complicado y se pierde un espacio importante de almacenaje.
Buscando otro sitio se me ocurrió que debajo del reposabrazos central podría ser el sitio ideal y asi lo hize y como antes dije con un poco de maña el resultado es espectacular. Para llevar los mandos del clima al hueco bajo el reposabrazos central hay que prolongar el cableado del clima desde el salpicadero hasta el reposabrazos, unos 60 cms de 41 cables fino en varios colores de 60 cms de largo (prolongar cortando y pegando, con el polo negativo de la bateria desconectado.
Llegó el final lo conecto todo, el equipo android a la clavija de la radio jaguar y los conectores del clima alargados hasta su nueva ubicación, conecto la bateria y voalá equipazo instalado y funcionando todo a la perfección, y lo mejor de todo la satisfacción personal de un brico bien ejecutado y por primera vez conseguido algo que parecía imposible. Mi jaguar S type del 2005 ahora tiene un equipo multimedia android que parece instalado de origen con manejo desde los mandos del volante y con todo actualizado a 2020 (gps, bluetooth, usb. etc, y lo más importante el sonido es espectacular.
En fin de todo el proceso de este brico tengo fotos que intentaré subir al foro para que algunos valientes se animen a realizarlo en sus gatos. Este mismo brico es valido para los X type y los XJ con s
Re: Cambio de radio a navegador táctil en s-type
Hola cesargueta:
Muchas gracias por la información y por compartirla.
Te animaría a elaborar un pequeño artículo en formato PDF y adjuntarlo al post (si quieres, usa uno de los mios como referencia y si necesitas ayuda, nos comunicamos). Si eres tan amable, incluye la marca y modelo exactos del Android que has puesto y donde se puede comrar.
Lo dicho, muchas gracias.
Saludos
Javier
Muchas gracias por la información y por compartirla.
Te animaría a elaborar un pequeño artículo en formato PDF y adjuntarlo al post (si quieres, usa uno de los mios como referencia y si necesitas ayuda, nos comunicamos). Si eres tan amable, incluye la marca y modelo exactos del Android que has puesto y donde se puede comrar.
Lo dicho, muchas gracias.
Saludos
Javier
-
cesargueta
- En rodaje...

- Mensajes: 8
- Registrado: 18 Oct 2021 16:48
Re: Cambio de radio a navegador táctil en s-type
De acuerdo Javier, estas navidades que tengo un poco mas de tiempo libre, prepararé un PDF que le sirva a otros foreros a modo de manual (no oficial) para que actualicen el sistema multimedia de sus gatos como lo hice yo. Decirte que he leído varios post, PDF, recomendaciones, consejos, etc. tuyos, y tengo que decirte que haces una gran labor informativa, para que los que visitamos el foro aprendamos mas sobre el funcionamiento, mantenimiento y manejo de nuestros S types.
Decir también que yo adquirí mi jaguar solo hace unos meses pero intentare aportar mi granito de arena en el foro.
Para comenzar le hice al coche un mantenimiento completo pues se trata de un S Type 2.7d executive del año 2005. con 320.000 kms. (con libro de revisiones sellado hasta los 220.000) pero pesar de los kms. que tiene va como la seda por eso le he cambiado (distribución completa, aceites, filtros, líquidos, pastillas, brazos y bieletas de suspensión, así como mantenimiento del cambio automático). Pues bien todo lo he realizado en mi mecánico de confianza y todas las piezas compradas en AUTODOC y me ha salido por cuatro duros.
Y para terminar respecto al post que he publicado hoy, decir que para el cambio de pantalla vale cualquier pantalla de 7" android, yo la mía la adquirí en Aliexpres si es cierto que las encontrarás de distinta resolución la mía es de 1024*600 y de distinta RAM y almacenamiento. la mía es de 2Gb de RAM y 32Gb de almacenamiento. Además necesitaremos un CAMBUS para jaguar y asi manejaremos la pantalla desde el volante (aunque no es imprescindible porque la pantalla es táctil, pero si recomendable).
SALUDOS
Decir también que yo adquirí mi jaguar solo hace unos meses pero intentare aportar mi granito de arena en el foro.
Para comenzar le hice al coche un mantenimiento completo pues se trata de un S Type 2.7d executive del año 2005. con 320.000 kms. (con libro de revisiones sellado hasta los 220.000) pero pesar de los kms. que tiene va como la seda por eso le he cambiado (distribución completa, aceites, filtros, líquidos, pastillas, brazos y bieletas de suspensión, así como mantenimiento del cambio automático). Pues bien todo lo he realizado en mi mecánico de confianza y todas las piezas compradas en AUTODOC y me ha salido por cuatro duros.
Y para terminar respecto al post que he publicado hoy, decir que para el cambio de pantalla vale cualquier pantalla de 7" android, yo la mía la adquirí en Aliexpres si es cierto que las encontrarás de distinta resolución la mía es de 1024*600 y de distinta RAM y almacenamiento. la mía es de 2Gb de RAM y 32Gb de almacenamiento. Además necesitaremos un CAMBUS para jaguar y asi manejaremos la pantalla desde el volante (aunque no es imprescindible porque la pantalla es táctil, pero si recomendable).
SALUDOS
-
cesargueta
- En rodaje...

- Mensajes: 8
- Registrado: 18 Oct 2021 16:48
Re: Cambio de radio a navegador táctil en s-type
Pongo a continuación algunas fotos mas del brico de cambio a pantalla con el resultado final para que se anime el personal a realizarlo.
Saludos.
Saludos.
- TheShadow
- Cortando encendido...

- Mensajes: 9188
- Registrado: 02 Jun 2006 18:52
- Ubicación: Madrid
- Contactar:
Re: Cambio de radio a navegador táctil en s-type
uff que curro, ... yo he visto esto, pero son chinas y no se si al final funciona bien ...
https://www.jaguarforum.com/threads/jag ... en.129748/
https://www.jaguarforum.com/threads/jag ... en.129748/
-
cesargueta
- En rodaje...

- Mensajes: 8
- Registrado: 18 Oct 2021 16:48
Re: Cambio de radio a navegador táctil en s-type
Esas son chinas y no se si funcionaran bien los controles sobre el clima, por otro lado, la resolución y el brillo de la pantalla no se si será la adecuada. De todos modos esas pantallas chinas son caras (mas de 500 euros) y solo se pueden instalar los jaguar que vienen con pantalla de navegación de fabrica con controles de climatizador desde la propia pantalla.
El brico que yo he realizado en mi jaguar coloca una pantalla con prestaciones de 2021 en un coche del 2005 y además conservo la elegancia del salpicadero de esa época y lo más importante, permite colocar una pantalla a un jaguar S type, X type o XJ, que no la traía de serie. Y una vez instalado obtener un aspecto interior como si viniera con la pantalla de serie (ver fotos).
Estoy de acuerdo de que es bastante curro, pero una vez realizado el trabajo compensa, con la satisfacción de saber que tu jaguar tiene dentro un equipo multimedia de ultima generación que permite (reproducir videos de youtube, musica de spotify, conectarte con tu movil por bluetooth y navegar online con google maps, control por voz, etc.), pero lo mejor de todo, es que a mejora bastante la calidad del sonido pues esta pantalla trae ecualizador de 10 bandas y refuerzo de grabes, todo esto unido a que los gatos tienen de serie un buen conjunto de altavoces, permite escuchar un sonido profesional.
Otra cosa a tener en cuenta es que no hay que tocar configuraciones del vehículo, el clima sigue siendo el mismo pero reubicado en otro sitio, solo se trata de cambiar un sistema de audio por otro y usar como carcasa del nuevo una pantalla original de jaguar (las hay baratas en Ebay y desguaces, además no hace falta que funcionen pues para el brico vamos a desechar el panel original).
Después de un mes utilizando el nuevo equipo, todo funciona perfectamente y estoy la mar de contento con el resultado, por eso he decidido compartirlo en este foro.
Saludos.
El brico que yo he realizado en mi jaguar coloca una pantalla con prestaciones de 2021 en un coche del 2005 y además conservo la elegancia del salpicadero de esa época y lo más importante, permite colocar una pantalla a un jaguar S type, X type o XJ, que no la traía de serie. Y una vez instalado obtener un aspecto interior como si viniera con la pantalla de serie (ver fotos).
Estoy de acuerdo de que es bastante curro, pero una vez realizado el trabajo compensa, con la satisfacción de saber que tu jaguar tiene dentro un equipo multimedia de ultima generación que permite (reproducir videos de youtube, musica de spotify, conectarte con tu movil por bluetooth y navegar online con google maps, control por voz, etc.), pero lo mejor de todo, es que a mejora bastante la calidad del sonido pues esta pantalla trae ecualizador de 10 bandas y refuerzo de grabes, todo esto unido a que los gatos tienen de serie un buen conjunto de altavoces, permite escuchar un sonido profesional.
Otra cosa a tener en cuenta es que no hay que tocar configuraciones del vehículo, el clima sigue siendo el mismo pero reubicado en otro sitio, solo se trata de cambiar un sistema de audio por otro y usar como carcasa del nuevo una pantalla original de jaguar (las hay baratas en Ebay y desguaces, además no hace falta que funcionen pues para el brico vamos a desechar el panel original).
Después de un mes utilizando el nuevo equipo, todo funciona perfectamente y estoy la mar de contento con el resultado, por eso he decidido compartirlo en este foro.
Saludos.
-
cesargueta
- En rodaje...

- Mensajes: 8
- Registrado: 18 Oct 2021 16:48
Re: Cambio de radio a navegador táctil en s-type
Lo prometido es deuda, adjunto PDF con la explicación detallada de los pasos para realizar el BRICO.
Saludos.
Saludos.
- Adjuntos
-
- BRICO PANTALLA ANDROID S TYPE.pdf
- (216.82 KiB) Descargado 1735 veces
Re: Cambio de radio a navegador táctil en s-type
Hola cesargueta.
Muchas gracias por el aporte. Hubiese estado bien incluir las fotos, asociadas a cada paso de la secuencia de operaciones a realizar. En todo caso, muchas gracias.
Saludos
Javier
Muchas gracias por el aporte. Hubiese estado bien incluir las fotos, asociadas a cada paso de la secuencia de operaciones a realizar. En todo caso, muchas gracias.
Saludos
Javier
-
cesargueta
- En rodaje...

- Mensajes: 8
- Registrado: 18 Oct 2021 16:48
Re: Cambio de radio a navegador táctil en s-type
Si tienes razón estuve pensando en incluir las fotos del brico en el PDF pero no sabia como hacerlo, de todos modos estoy recopilando las fotos de trabajo que tenga guardadas para poner la secuencia de los pasos a seguir, la verdad es que no tengo muchas pero las subiré.
Saludos.
Saludos.
Re: Cambio de radio a navegador táctil en s-type
Tu editas el fichero, supongo que con Word (del Office de Microsoft) o Write (de LibreOffice) y donde quieras insertar una foto, la forma más cómoda es que la abras con un programa de visión de imágenes, la copias en el portapapeles y la pegas, pero usando el botón derecho para selecciona la opción del menú contextual "como imagen". De esta manera el Word no hace gilipolleces con referencias a objetos.
Luego le indicas guardar como y seleccionas PDF y ya está).
Saludos
Javier
Luego le indicas guardar como y seleccionas PDF y ya está).
Saludos
Javier
Re: Cambio de radio a navegador táctil en s-type
Que currada, gracias por compartir semejante trabajito. Enhorabuena
Re: Cambio de radio a navegador táctil en s-type
Buenas nose si será aquí el sitio más correcto, pero puedo pregunto y sino es, que me digan y lo cambio, gracias, mi s type 3.0 v6 automático, gasolina, tiene la radio de serie y he probado a quitarla, para probar a montar una pantalla Android más moderna y al ir a instalar esta, le llega corriente, pero no enciende la pantalla, y la radio Android funciona perfectamente porque en casa la probé, alguien que me pueda ayudar, por favor, se lo agradecería
Un saludo a todos
Un saludo a todos
Re: Cambio de radio a navegador táctil en s-type
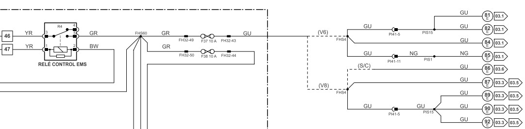
Hola El_Monje,
Tienes que indicar cual es el Model Year (posición 10 del VIN) de tu vehículo para saber en que manual eléctrico mirar por donde entra la alimentación eléctrica a la radio.
He usado como ejemplo MY 2006 y la protección de la alimentación se ejecuta desde el fusible F37. Saludos
Javier
Tienes que indicar cual es el Model Year (posición 10 del VIN) de tu vehículo para saber en que manual eléctrico mirar por donde entra la alimentación eléctrica a la radio.
He usado como ejemplo MY 2006 y la protección de la alimentación se ejecuta desde el fusible F37. Saludos
Javier
Re: Cambio de radio a navegador táctil en s-type
Buenas noches
Lo primero, gracias por responder Javier, lo mire, tal como dijistes y es la Y que equivale al año 2000
Lo primero, gracias por responder Javier, lo mire, tal como dijistes y es la Y que equivale al año 2000
Re: Cambio de radio a navegador táctil en s-type
Hola El:Monje_,
Entonces tiene el viejo sistema de control, anterior a que le pusieran bus CAN y para info-entretenimiento usa un bus SCP y cables directos. Mira el manual eléctrico de 1999 a 2000, página 131, lo descargas de aquí:
http://jagrepair.com/images/AutoRepairP ... 9.25en.pdf
Saludos
Javier
Entonces tiene el viejo sistema de control, anterior a que le pusieran bus CAN y para info-entretenimiento usa un bus SCP y cables directos. Mira el manual eléctrico de 1999 a 2000, página 131, lo descargas de aquí:
http://jagrepair.com/images/AutoRepairP ... 9.25en.pdf
Saludos
Javier
