Esquemas
- Jal
- Acelerando...

- Mensajes: 92
- Registrado: 30 Jun 2014 13:14
- Ubicación: Buenos Aires Argentina
- Contactar:
Esquemas
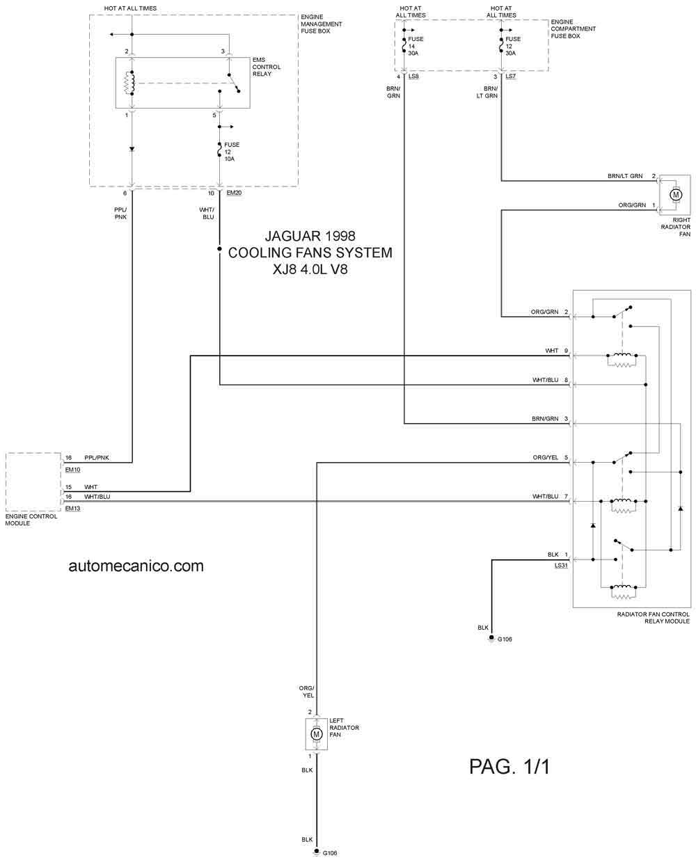
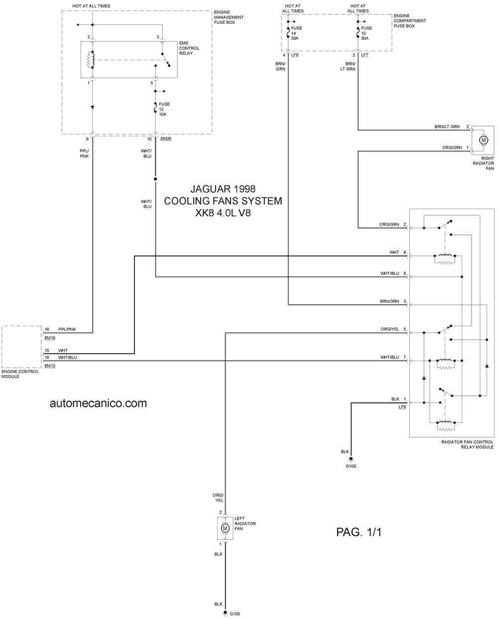
Amigos dejo algunos esquemas eléctricos del sistema de enfriamiento y un interesante artículo sobre faros, espero que les sea útil, saludos. 
- Adjuntos
-
- documento.pdf
- (1.37 MiB) Descargado 5452 veces