CUERPO DE MARIPOSA

Modelos Jaguar S-Type
fernando432
Acelerando...
Acelerando...
Mensajes: 112
Registrado: 29 Oct 2011 10:40
Ubicación: Elda (Alicante)

CUERPO DE MARIPOSA

Mensaje sin leer por fernando432 »

Buenas tardes,

Hace unos dias, se encendio el chivato de averia en mi stype, la señalizacion que arrojaba era la de color amarillo, o´sea un fallo menor. Lo llevo al mecanico del pueblo quien despues de testearlo me dice que es el cuerpo de mariposa. Sorprendentemente esta pieza me dicen en la jaguar que esta descatolagada. ¿Por favor podria alguien indicarme donde puedo adquirirla?.

Gracias y saludos afectuosos
jalvarez
Cortando encendido...
Cortando encendido...
Mensajes: 2998
Registrado: 08 Abr 2010 13:07
Ubicación: Madrid

Re: CUERPO DE MARIPOSA

Mensaje sin leer por jalvarez »

Hola fernando432:

Para poder responderte es imprescindible que aportes:
1.- Motor de tu vehículo: diésel o gasolina
2.- Si es motor de gasolina: cilindrada 3.0, 4.0, 4.2 o 4.2R
3.- Model Year (se obtiene de la posición 10 del VIN)

El cuerpo de mariposa regula la cantidad de aire que entra a los 2 colectores de admisión, que previamente mide el o los sensores de caudal másico, para establecer el tiempo de apertura de los inyectores, con el fin de conseguir que la proporción aire/combustible sea lo más próximo a la relación estequiométrica de la reacción química de la combustión (explosión en el caso de la gasolina, detonación en el caso de diésel).

Quien haya realizado el diagnóstico, necesariamente ha tenido que conectar una sonda software y recuperar los errores DTC registrados en el ordenador que gobierna el motor (ECM si es gasolina, PCM si es diésel). De no haberlo realizado así, el nivel de ambigüedad en el diagnóstico sería demasiado grande.

Saludos
Javier
Rota
Buen Crucero...
Buen Crucero...
Mensajes: 542
Registrado: 30 Sep 2013 16:58

Re: CUERPO DE MARIPOSA

Mensaje sin leer por Rota »

los cuerpos de mariposa no están descatalogados en Jaguar (entiendo que el tuyo es un S-Type)
Llama directamente a cualquier Jaguar y con el número de serie de tu coche pide referencia, precio y plazo
Como ese cuerpo no está fabricado por Jaguar, se podra localizar en otros sitios
fernando432
Acelerando...
Acelerando...
Mensajes: 112
Registrado: 29 Oct 2011 10:40
Ubicación: Elda (Alicante)

Re: CUERPO DE MARIPOSA

Mensaje sin leer por fernando432 »

Rota escribió:los cuerpos de mariposa no están descatalogados en Jaguar (entiendo que el tuyo es un S-Type)
Llama directamente a cualquier Jaguar y con el número de serie de tu coche pide referencia, precio y plazo
Como ese cuerpo no está fabricado por Jaguar, se podra localizar en otros sitios
Si que lo estan Augusto, lo he consultado en Alicante y Valencia, es sorprendente pero es asi. Seguro qu es como dices, y el fabricante no es jaguar, pero no hay indicaciones en la pieza, es decir no pone designacion que pueda dar pisra al respecto, por lo que no se por donde empezar. Puedo ir a morir a un desguace pero en una pieza con elementos electronicos no es lo mas recomendable...
fernando432
Acelerando...
Acelerando...
Mensajes: 112
Registrado: 29 Oct 2011 10:40
Ubicación: Elda (Alicante)

Re: CUERPO DE MARIPOSA

Mensaje sin leer por fernando432 »

Hola fernando432:

Para poder responderte es imprescindible que aportes:
1.- Motor de tu vehículo: diésel o gasolina
2.- Si es motor de gasolina: cilindrada 3.0, 4.0, 4.2 o 4.2R
3.- Model Year (se obtiene de la posición 10 del VIN)

El cuerpo de mariposa regula la cantidad de aire que entra a los 2 colectores de admisión, que previamente mide el o los sensores de caudal másico, para establecer el tiempo de apertura de los inyectores, con el fin de conseguir que la proporción aire/combustible sea lo más próximo a la relación estequiométrica de la reacción química de la combustión (explosión en el caso de la gasolina, detonación en el caso de diésel).

Quien haya realizado el diagnóstico, necesariamente ha tenido que conectar una sonda software y recuperar los errores DTC registrados en el ordenador que gobierna el motor (ECM si es gasolina, PCM si es diésel). De no haberlo realizado así, el nivel de ambigüedad en el diagnóstico sería demasiado grande.













Hola javier,

Es un gasolina un v6 del 2001 3000 cc. Creo que el codigo al que haces referencia es XR8U AM 040 946 B.

saludos afectuosos
jalvarez
Cortando encendido...
Cortando encendido...
Mensajes: 2998
Registrado: 08 Abr 2010 13:07
Ubicación: Madrid

Re: CUERPO DE MARIPOSA

Mensaje sin leer por jalvarez »

fernando432 escribió:...Es un gasolina un v6 del 2001 3000 cc. Creo que el codigo al que haces referencia es XR8U AM 040 946 B...
Hola fernando432:

El motor 3.0 V6 de gasolina fué introducido en el S-Type en el primer cuatrimestre de 1999 (1999.25) y el sistema de admisión fué remodelado en el segundo cuatrimestre de 2002 (2002.5) coincidiendo con la introducción de los nuevos motores 4.2 de 8 cilindros atmosférico y con turbo-cargador, que sustituyeron al motor 4.0 y lo más importante, la itroducción del bus CAN para el control de todos los componentes importantes del vehículo (entre ellos el del motor), sustituyendo al bus SCP. Esta información la he obtenido de:
1.- Manual de especificaciones técnicas de vehiculos Jaguar 2009, página 10 (del lector de PDF)
2.- JEPC (Catálogo Electrónico de repuestos jaguar

El manual lo puedes descargar de aquí:
http://jagrepair.com/images/AutoRepairP ... 9_2009.pdf

El catálogo electrónico de piezas de repuesto lo puedes descargar de aquí:
http://www.jaguarforums.com/forum/xj-xj ... ons-48194/

Por tanto, tu vehículo tiene el motor 3.0 V6 de la primera generación. Esto se deduce de la consulta en el JEPC con el siguiente esquema de navegación:
S-TYPE --> AIR AND FUEL DELIVERY SYSTEMS --> AIR DELIBERY SYSTEMS COMPONENTS --> THROTTLE BODY - UP TO (V) M45254 --> 1 Throttle housing --> 3.0 Litre Petrol:
- Exchange: XR831725E
- New: XR831725

Lo que estoy indicando es cierto, si y sólo sí, el Nº de serie de tu vehículo (últimos 6 caracteres del VIN) es inferior a M45254. En caso contrario, tienes que seguir el esquema de navegación guiado por el nº de serie de tu vehículo.

Una vez que tenemos identificada la referencia del cuerpo de admisión, vamos a ver que tiene en materia de regualación, para ello acudimos al manual eléctrico de 2001, que lo descargamos de aquí:
http://jagrepair.com/images/AutoRepairP ... 2001en.pdf

Miramos el esquema de principio del control del motor V6, en la página 53 (del lector de PDF) y observamos en la parte inferior derecha (THROTTLE ASSEMBLY) que el cuerpo de admisión consta de 2 componentes encapsulados en un módulo inteligente (que incluye internamente un ordenador) que se controla por bus SCP:
- 1 Componente actuador formado por 1 motor
- 1 Componente sensor formado por 3 sesnores de efecto Hall (esto lo deduzco porque tienen una H)

Como los 3 sensores y el actuador están encapsulados, hay que cambiar el módulo completo. Esto se deduce de observar que están controlados por un ECU (Electronical Control Unit) independiente y que al haber una referencia en el JEPC de venta de dicho módulo reparado, requiere de calibración en laboratorio cuando se repara. He deducido que es un ECU (un procesador con un software) porque en el manual eléctrico observo 2 señales S+ y S- (que son los 2 circuitos para conexión del bus SCP).

Para profundizar algo más sobre el modo de funcionamiento del cuerpo de admisión, acudimos al manual "SERVICE TRAINING COURSE INTRODUCTION TO JAGUAR", que lo podemos descargar de aquí:
http://jagrepair.com/images/IntroToJagu ... 0-3-02.pdf

Nos vamos a la página 174 (del lector de PDF) para descodificar el VIN de tu vehículo y poder identificar sin ambiguedad el motor y sus componentes. El motor es el AJ-V6.

Nos vamos a la página 181 (del lector de PDF), aqui aborda el control del motor con el ordenador PTEC (PowerTrain Electronic Control). Podemos asumir que todos los sensores y actuadores que incluya el motor para su control van a ser de la misma marca (fabricante) que el ordenador o ECU PTEC. Nos vamos a la página 182 y leemos que entre las funciones con las que el PTEC gobierna el motor, está:
- Full authority electronic throttle (via Throttle Actuator Control Module)

En la página 183 tenemos el esquema de principio con la lógica de funcionamiento del motor V6 controlado por el PTEC.

Ahora necesitamos saber quien es el fabricante del PTEC, para deducir quien es el fabricante del controlador del cuerpo de admisión ECU TACM. Descargamos la tabla de referencias cruzadas entre sistemas de control de vehículos Jaguar con motor de gasolina y sus fabricantes originales (los detalles están el el post Docuemntación S-type...):
http://www.nastf.org/files/public/Jagua ... Ranges.pdf

Observamos que en la segunda página (línea 6) para modelos con Model Year entre 1999 y 2001, el ordenador "Powertrain Module - Engine" es de Ford (justo los S-Type de estos años solo incluian como bus de control el SCP, que es una versión modificada por FORD del bus J1850). Ahora ya sabemos que el módulo de control del cuerpo de admisión lo fabrica FORD.

Esto es lo que indicó Rota en su brillante (aunque minimimalista) intervención:
Rota escribió:los cuerpos de mariposa no están descatalogados en Jaguar (entiendo que el tuyo es un S-Type)
Llama directamente a cualquier Jaguar y con el número de serie de tu coche pide referencia, precio y plazo
Como ese cuerpo no está fabricado por Jaguar, se podra localizar en otros sitios
Rota hace esta sugerencia porque de la descodificación del VIN se obtiene la caracterización completa del vehículo (motor, cilindrada, tipo de combustible, tipo de acabado interior, lugar de fabricación, etc.).

Si nos fijamos en el Apendice de mensajes (del manual eléctrico de 2001) que se intercambian entre sí los ECUs (ordenadores) que están interconectados por bus SCP, en la página 140 (del lector de PDF) está el mensaje entre el ECU PCM (fuente del mensaje) y el ECU TACM (destinatario del mensaje): 340 Request throttle control unit fault status.
El PCM (ECU que controla el motor) solicita el estado al ECU TACM (que controla el cuerpo de admisión). Los mensajes en el protocolo (bus) SCP están numerados y se utiliza dicho número para identificarlos.

A la vista de que solo hay este mensaje, concluimos que el ECU TACM es autocontenido y solo informa de lo que hace al ECU PCM , cuando éste se lo requiere, pero no consulta para tomar decisiones (de ahi que requiera salir calibrado de laboratorio cuando se repara). La interpretación que debemos hacer, es que no hay prácticamente interdependencia entre las versiones de software de ambos ECUs, por tanto, esto no será un condicionante para localizar el repuesto.

Llegados a este punto, sabemos:
1.- El esquema de principio de control lógico del motor, en el que mirar la ubicación de los componentes del módulo de control del cuerpo de admisión
2.- Que el módulo de control del cuerpo de admisión no genera dependencia de versión de software sobre el PTEC
3.- Que el fabricante original (no Jaguar que lo usa) de ambos módulos (PCM o PTEC y TACM) es FORD
4.- Que dicho componente se comercializa por parte de Jaguar tanto "reparado" como "nuevo". Eso hay que interpretarlo (al igual que ocurre con los inyectores diésel), que son módulos que incluyen componentes que se degradan con el paso del tiempo y que requieren ser reparados y recalibrados.
5.- Que casi seguro lo localizas por Internet a precio mucho más razonable que el que proporcione Jaguar

Ahora que sabemos lo que tenemos que buscar, empezamos a buscarlo para sustituirlo.

Soy consciente que no te he proporcionado la solución concreta, pero si una metodología para conseguirla.

Saludos
Javier
Rota
Buen Crucero...
Buen Crucero...
Mensajes: 542
Registrado: 30 Sep 2013 16:58

Re: CUERPO DE MARIPOSA

Mensaje sin leer por Rota »

Javier, detalladísima y excelente descripción...como es habitual en tus intervenciones

fernando432, ojo! ese conjunto no deberías comprarlo en un desguace. La causa de que sea necesario cambiarlo es el ajuste muy preciso entre la mariposa del acelerador y las paredes cilíndricas del cuerpo. Ese ajuste se va perdiendo con el uso por desgaste del cuerpo cilíndrico, a veces favorecido por no cambiar nunca el filtro de gasolina. Comprado usado, podrías sustituir el tuyo actual por otro con mayor desgaste aún.
La referencia XR831725E que localiza Javier es la del conjunto "de intercambio" (entregas el tuyo y te suministran otro equivalente reparado con medios muy complejos, para recrecer las partes desgastadas) Jaguar seguramente lo suministre pero hay especialistas en UK y Alemania que lo ofrecen.
Los reconstruidos son menos caros y están prácticamente nuevos
En esto, desguaces NO
fernando432
Acelerando...
Acelerando...
Mensajes: 112
Registrado: 29 Oct 2011 10:40
Ubicación: Elda (Alicante)

Re: CUERPO DE MARIPOSA

Mensaje sin leer por fernando432 »

Rota escribió:Javier, detalladísima y excelente descripción...como es habitual en tus intervenciones

fernando432, ojo! ese conjunto no deberías comprarlo en un desguace. La causa de que sea necesario cambiarlo es el ajuste muy preciso entre la mariposa del acelerador y las paredes cilíndricas del cuerpo. Ese ajuste se va perdiendo con el uso por desgaste del cuerpo cilíndrico, a veces favorecido por no cambiar nunca el filtro de gasolina. Comprado usado, podrías sustituir el tuyo actual por otro con mayor desgaste aún.
La referencia XR831725E que localiza Javier es la del conjunto "de intercambio" (entregas el tuyo y te suministran otro equivalente reparado con medios muy complejos, para recrecer las partes desgastadas) Jaguar seguramente lo suministre pero hay especialistas en UK y Alemania que lo ofrecen.
Los reconstruidos son menos caros y están prácticamente nuevos
En esto, desguaces NO
Gracias a ambos, me he puesto a ello. En la Ford por la referencia XR831725E, no pueden decirme nada.

He buscado tambien en la linea 6 a la que hacia referencia Javier -Ford PTEC 5R55N- y tampoco saben nada en la ford.

En la jaguar, esta vez he llamado a Madrid, buscando una concesion grande. Alli me dicen que la pieza no se fabrica y que ellos no la tienen y menos aun reparada. Comom solucion me ofrecen buscarla a traves de Jaguar inglaterra o llamando a concesionarios, el conjunto de intercambio (que no se muy bien que es) si tiene puesto precio 1625 euros mas iva.

Y en esas me encuentro de momento.

Gracias y saludos afectuosos
fernando432
Acelerando...
Acelerando...
Mensajes: 112
Registrado: 29 Oct 2011 10:40
Ubicación: Elda (Alicante)

Re: CUERPO DE MARIPOSA

Mensaje sin leer por fernando432 »

jalvarez escribió:
fernando432 escribió:...Es un gasolina un v6 del 2001 3000 cc. Creo que el codigo al que haces referencia es XR8U AM 040 946 B...
Hola fernando432:

El motor 3.0 V6 de gasolina fué introducido en el S-Type en el primer cuatrimestre de 1999 (1999.25) y el sistema de admisión fué remodelado en el segundo cuatrimestre de 2002 (2002.5) coincidiendo con la introducción de los nuevos motores 4.2 de 8 cilindros atmosférico y con turbo-cargador, que sustituyeron al motor 4.0 y lo más importante, la itroducción del bus CAN para el control de todos los componentes importantes del vehículo (entre ellos el del motor), sustituyendo al bus SCP. Esta información la he obtenido de:
1.- Manual de especificaciones técnicas de vehiculos Jaguar 2009, página 10 (del lector de PDF)
2.- JEPC (Catálogo Electrónico de repuestos jaguar

El manual lo puedes descargar de aquí:
http://jagrepair.com/images/AutoRepairP ... 9_2009.pdf

El catálogo electrónico de piezas de repuesto lo puedes descargar de aquí:
http://www.jaguarforums.com/forum/xj-xj ... ons-48194/

Por tanto, tu vehículo tiene el motor 3.0 V6 de la primera generación. Esto se deduce de la consulta en el JEPC con el siguiente esquema de navegación:
S-TYPE --> AIR AND FUEL DELIVERY SYSTEMS --> AIR DELIBERY SYSTEMS COMPONENTS --> THROTTLE BODY - UP TO (V) M45254 --> 1 Throttle housing --> 3.0 Litre Petrol:
- Exchange: XR831725E
- New: XR831725

Lo que estoy indicando es cierto, si y sólo sí, el Nº de serie de tu vehículo (últimos 6 caracteres del VIN) es inferior a M45254. En caso contrario, tienes que seguir el esquema de navegación guiado por el nº de serie de tu vehículo.

Una vez que tenemos identificada la referencia del cuerpo de admisión, vamos a ver que tiene en materia de regualación, para ello acudimos al manual eléctrico de 2001, que lo descargamos de aquí:
http://jagrepair.com/images/AutoRepairP ... 2001en.pdf

Miramos el esquema de principio del control del motor V6, en la página 53 (del lector de PDF) y observamos en la parte inferior derecha (THROTTLE ASSEMBLY) que el cuerpo de admisión consta de 2 componentes encapsulados en un módulo inteligente (que incluye internamente un ordenador) que se controla por bus SCP:
- 1 Componente actuador formado por 1 motor
- 1 Componente sensor formado por 3 sesnores de efecto Hall (esto lo deduzco porque tienen una H)

Como los 3 sensores y el actuador están encapsulados, hay que cambiar el módulo completo. Esto se deduce de observar que están controlados por un ECU (Electronical Control Unit) independiente y que al haber una referencia en el JEPC de venta de dicho módulo reparado, requiere de calibración en laboratorio cuando se repara. He deducido que es un ECU (un procesador con un software) porque en el manual eléctrico observo 2 señales S+ y S- (que son los 2 circuitos para conexión del bus SCP).

Para profundizar algo más sobre el modo de funcionamiento del cuerpo de admisión, acudimos al manual "SERVICE TRAINING COURSE INTRODUCTION TO JAGUAR", que lo podemos descargar de aquí:
http://jagrepair.com/images/IntroToJagu ... 0-3-02.pdf

Nos vamos a la página 174 (del lector de PDF) para descodificar el VIN de tu vehículo y poder identificar sin ambiguedad el motor y sus componentes. El motor es el AJ-V6.

Nos vamos a la página 181 (del lector de PDF), aqui aborda el control del motor con el ordenador PTEC (PowerTrain Electronic Control). Podemos asumir que todos los sensores y actuadores que incluya el motor para su control van a ser de la misma marca (fabricante) que el ordenador o ECU PTEC. Nos vamos a la página 182 y leemos que entre las funciones con las que el PTEC gobierna el motor, está:
- Full authority electronic throttle (via Throttle Actuator Control Module)

En la página 183 tenemos el esquema de principio con la lógica de funcionamiento del motor V6 controlado por el PTEC.

Ahora necesitamos saber quien es el fabricante del PTEC, para deducir quien es el fabricante del controlador del cuerpo de admisión ECU TACM. Descargamos la tabla de referencias cruzadas entre sistemas de control de vehículos Jaguar con motor de gasolina y sus fabricantes originales (los detalles están el el post Docuemntación S-type...):
http://www.nastf.org/files/public/Jagua ... Ranges.pdf

Observamos que en la segunda página (línea 6) para modelos con Model Year entre 1999 y 2001, el ordenador "Powertrain Module - Engine" es de Ford (justo los S-Type de estos años solo incluian como bus de control el SCP, que es una versión modificada por FORD del bus J1850). Ahora ya sabemos que el módulo de control del cuerpo de admisión lo fabrica FORD.

Esto es lo que indicó Rota en su brillante (aunque minimimalista) intervención:
Rota escribió:los cuerpos de mariposa no están descatalogados en Jaguar (entiendo que el tuyo es un S-Type)
Llama directamente a cualquier Jaguar y con el número de serie de tu coche pide referencia, precio y plazo
Como ese cuerpo no está fabricado por Jaguar, se podra localizar en otros sitios
Rota hace esta sugerencia porque de la descodificación del VIN se obtiene la caracterización completa del vehículo (motor, cilindrada, tipo de combustible, tipo de acabado interior, lugar de fabricación, etc.).

Si nos fijamos en el Apendice de mensajes (del manual eléctrico de 2001) que se intercambian entre sí los ECUs (ordenadores) que están interconectados por bus SCP, en la página 140 (del lector de PDF) está el mensaje entre el ECU PCM (fuente del mensaje) y el ECU TACM (destinatario del mensaje): 340 Request throttle control unit fault status.
El PCM (ECU que controla el motor) solicita el estado al ECU TACM (que controla el cuerpo de admisión). Los mensajes en el protocolo (bus) SCP están numerados y se utiliza dicho número para identificarlos.

A la vista de que solo hay este mensaje, concluimos que el ECU TACM es autocontenido y solo informa de lo que hace al ECU PCM , cuando éste se lo requiere, pero no consulta para tomar decisiones (de ahi que requiera salir calibrado de laboratorio cuando se repara). La interpretación que debemos hacer, es que no hay prácticamente interdependencia entre las versiones de software de ambos ECUs, por tanto, esto no será un condicionante para localizar el repuesto.

Llegados a este punto, sabemos:
1.- El esquema de principio de control lógico del motor, en el que mirar la ubicación de los componentes del módulo de control del cuerpo de admisión
2.- Que el módulo de control del cuerpo de admisión no genera dependencia de versión de software sobre el PTEC
3.- Que el fabricante original (no Jaguar que lo usa) de ambos módulos (PCM o PTEC y TACM) es FORD
4.- Que dicho componente se comercializa por parte de Jaguar tanto "reparado" como "nuevo". Eso hay que interpretarlo (al igual que ocurre con los inyectores diésel), que son módulos que incluyen componentes que se degradan con el paso del tiempo y que requieren ser reparados y recalibrados.
5.- Que casi seguro lo localizas por Internet a precio mucho más razonable que el que proporcione Jaguar

Ahora que sabemos lo que tenemos que buscar, empezamos a buscarlo para sustituirlo.

Soy consciente que no te he proporcionado la solución concreta, pero si una metodología para conseguirla.

Saludos
Javier
Gracias Javier, como comento a Rota, estoy en ello, pero sin mucho exito por el momento.

Saludos afectuosos
jalvarez
Cortando encendido...
Cortando encendido...
Mensajes: 2998
Registrado: 08 Abr 2010 13:07
Ubicación: Madrid

Re: CUERPO DE MARIPOSA

Mensaje sin leer por jalvarez »

Hola fernando432:

Quizás Rota (Augusto) pueda echar una mano e indicar a quién habría que dirigirse en UK o en Alemania, tal como sugiere en su intervención. Yo reconozco mis limitaciones en este asunto.

Gracias anticipadas Rota por tomarme esta licencia.

Javier
Rota
Buen Crucero...
Buen Crucero...
Mensajes: 542
Registrado: 30 Sep 2013 16:58

Re: CUERPO DE MARIPOSA

Mensaje sin leer por Rota »

Ese conjunto lo puedes encontrar en:
BuyAutoparts (USA) con la referencia 47-60197

AutoSpares.eu (Alemania)

Sngbarratt.com (UK)

Jaguar-pieces.com (Francia)

Hay algo que me llama mucho la atención de ese Throttle Body. Los precios son muy altos, mas de 1000 o 2000 dolares o euros
Yo compré y monté uno para mi 4.2 por 160 € mas portes en UK hace unos años y veo que en Britishparts.co.uk sigue teniendo un precio de 179,68 libras esterlinas. (en este distribuidor no tienen el tuyo para 3.0)
No entiendo esa gran diferencia de precios.
Por supuesto el conjunto NO está fabricado por Jaguar
Esa referencia estás sutituida por la XR858418 y creo, no he tenido tiempo de comprobar esto, que la referncia Ford es 47-60197 que si se localiza en USA.
Otra cuestión: ¿porqué hay que cambiar ese conjunto en tu motor?¿está seguro el que lo ha diagnosticado?
Yo no del todo
Sauvignon
En rodaje...
En rodaje...
Mensajes: 1
Registrado: 11 Jul 2015 08:16

Re: CUERPO DE MARIPOSA

Mensaje sin leer por Sauvignon »

Perdon.
Lo que mande antes no sirve, la referencia es para los modelos del 2004.
Estos creo que si.

http://www.ebay.com/sch/Throttle-Body-/ ... oken2=3.0L
Rota
Buen Crucero...
Buen Crucero...
Mensajes: 542
Registrado: 30 Sep 2013 16:58

Re: CUERPO DE MARIPOSA

Mensaje sin leer por Rota »

Gracias por la información
los que se anuncian son usados
mas arriba doy mi opinión sobre esta opción, pero...
Insisto en que habría que conocer las causas por las que se ha decidido cambiar el cuerpo del acelerador
fernando432
Acelerando...
Acelerando...
Mensajes: 112
Registrado: 29 Oct 2011 10:40
Ubicación: Elda (Alicante)

Re: CUERPO DE MARIPOSA

Mensaje sin leer por fernando432 »

Rota escribió:Gracias por la información
los que se anuncian son usados
mas arriba doy mi opinión sobre esta opción, pero...
Insisto en que habría que conocer las causas por las que se ha decidido cambiar el cuerpo del acelerador
Hola Augusto,

Esa misma pregunta, se la he formulado al mecanico y dice estar completamente seguro. Creo que voy a pedir una segunda opinion.

No entiendo como es posible que exista tanta dificultad para encontrar la pieza, ni que valga tan cara, a ese precio puedo comprar un motor completo restaurado.

¿Podrias poner el link donde aparece la dichosa pieza?, refiero a las paginas que indicas, asi puedo acceder directamente, me extravio con facilidad, no domino el ingles.

Gracias una vez mas,

Saludos afectuosos
fernando432
Acelerando...
Acelerando...
Mensajes: 112
Registrado: 29 Oct 2011 10:40
Ubicación: Elda (Alicante)

Re: CUERPO DE MARIPOSA

Mensaje sin leer por fernando432 »

Sauvignon escribió:Perdon.
Lo que mande antes no sirve, la referencia es para los modelos del 2004.
Estos creo que si.

http://www.ebay.com/sch/Throttle-Body-/ ... oken2=3.0L
Gracias, efectivamente son usados, quisiera descartar esa opcion

Saludos afectuosos
Rota
Buen Crucero...
Buen Crucero...
Mensajes: 542
Registrado: 30 Sep 2013 16:58

Re: CUERPO DE MARIPOSA

Mensaje sin leer por Rota »

fernando432,
estoy de viaje pero intentaré ayudarte con esto
necesito: modelo exacto de tu Jaguar
motor (cilindrada y nº de cilindros)
año de fabricación
número completo de serie (eso ya contiene bastante información)

Que tu mecánico esté seguro de que hay que cambiar el cuerpo de la mariposa no fué mi pregunta; yo pregunto porque está seguro?¿holgura en la mariposa respecto al cilindro del cuerpo?¿no funciona el actuador que sincroniza con el pedal del acelerador?¿hay alguna grieta?¿están desgastados los casquillos del eje de la mariposa?

Yo intento buscarte ese conjunto -dame un par de días - pero sigo teniendo esas dudas, aunque obviamente la confianza en el criterio de tu mecánico estará basada en tus experiencias personales.
Un saludo
fernando432
Acelerando...
Acelerando...
Mensajes: 112
Registrado: 29 Oct 2011 10:40
Ubicación: Elda (Alicante)

Re: CUERPO DE MARIPOSA

Mensaje sin leer por fernando432 »

Rota escribió:fernando432,
estoy de viaje pero intentaré ayudarte con esto
necesito: modelo exacto de tu Jaguar
motor (cilindrada y nº de cilindros)
año de fabricación
número completo de serie (eso ya contiene bastante información)

Que tu mecánico esté seguro de que hay que cambiar el cuerpo de la mariposa no fué mi pregunta; yo pregunto porque está seguro?¿holgura en la mariposa respecto al cilindro del cuerpo?¿no funciona el actuador que sincroniza con el pedal del acelerador?¿hay alguna grieta?¿están desgastados los casquillos del eje de la mariposa?

Yo intento buscarte ese conjunto -dame un par de días - pero sigo teniendo esas dudas, aunque obviamente la confianza en el criterio de tu mecánico estará basada en tus experiencias personales.
Un saludo
Hola Augusto, es un 3.000 cc V6, del año 2001.

El numero de bastidor es SAJAA01L21FM01902.

Respecto a lo que no esta funcionando adecuadamente, me refiere al componente electronico de la pieza, no se si eso es un dictamen amplio o no, pero es lo que me dice mi mecanico.

Un abrazo y gracias.
jalvarez
Cortando encendido...
Cortando encendido...
Mensajes: 2998
Registrado: 08 Abr 2010 13:07
Ubicación: Madrid

Re: CUERPO DE MARIPOSA

Mensaje sin leer por jalvarez »

Hola Rota (Augusto):

Para echar una mano y entregar la identificación más desmenuzada, me he conectado a la web oficial de Jaguar, he introducido el VIN y copio a continuación la descodificación del mismo:
  • VIN: .......................: SAJAA01L21FM01902
    Fecha de fabricación....: 24-NOV-2000
    Modelo....................: S-TYPE / X200
    Concesionario de venta.: 02244
    Modelo año...............: 2001
    Fecha inicio garantía....: 31-OCT-2001
    Requisitos de emisiones: 2000EC CAR REQTS
    Lado del volante.........: Izquierdo
    Tipo de carrocería.......: 4 DOOR SEDAN-4 LITE
    Versión....................: SERIES 30
    Aire acondicionado......: ATC AIR CONDITIONER
    Motor.....................: 3.0L NA V6 Petrol
    Caja de cambios.........: 5 SPEED AUTO TRANS NAAO 5R55N
A la vista de lo que comenta fernando432, parece que lo que se ha estropeado no es el componente mecánico del cuerpo de admisión, sino la cajita electrónica (Throttle Actuator Control Module) que mueve y controla la mariposa (el motor elécctrico o alguno de los 3 sensores).

El enlace a la web oficial de Jaguar es: https://topix.jaguar.jlrext.com/topix/vehicle/index

Saludos
Javier
fernando432
Acelerando...
Acelerando...
Mensajes: 112
Registrado: 29 Oct 2011 10:40
Ubicación: Elda (Alicante)

Re: CUERPO DE MARIPOSA

Mensaje sin leer por fernando432 »

jalvarez escribió:Hola Rota (Augusto):

Para echar una mano y entregar la identificación más desmenuzada, me he conectado a la web oficial de Jaguar, he introducido el VIN y copio a continuación la descodificación del mismo:
  • VIN: .......................: SAJAA01L21FM01902
    Fecha de fabricación....: 24-NOV-2000
    Modelo....................: S-TYPE / X200
    Concesionario de venta.: 02244
    Modelo año...............: 2001
    Fecha inicio garantía....: 31-OCT-2001
    Requisitos de emisiones: 2000EC CAR REQTS
    Lado del volante.........: Izquierdo
    Tipo de carrocería.......: 4 DOOR SEDAN-4 LITE
    Versión....................: SERIES 30
    Aire acondicionado......: ATC AIR CONDITIONER
    Motor.....................: 3.0L NA V6 Petrol
    Caja de cambios.........: 5 SPEED AUTO TRANS NAAO 5R55N
A la vista de lo que comenta fernando432, parece que lo que se ha estropeado no es el componente mecánico del cuerpo de admisión, sino la cajita electrónica (Throttle Actuator Control Module) que mueve y controla la mariposa (el motor elécctrico o alguno de los 3 sensores).

El enlace a la web oficial de Jaguar es: https://topix.jaguar.jlrext.com/topix/vehicle/index

Saludos
Javier

Muchisimas gracias Javier
Rota
Buen Crucero...
Buen Crucero...
Mensajes: 542
Registrado: 30 Sep 2013 16:58

Re: CUERPO DE MARIPOSA

Mensaje sin leer por Rota »

Bueno, eso es mas fácil de arreglar y mucho más barato
Tu coche, como todos los de inyección electrónica, tiene incorporado al cuerpo del acelerador un THROTTLE POSITION SENSOR,(TPS) fabricado por DENSO, con un conector de 4 "pines" y sujeto al cuerpo con dos tornillos torx de 5 puntas (no 6)
Mira en la superficie visible del TPS Denso y ahí está claramente grabada la referencia del fabricante. Damela y te indicaré donde comprarla (unos 60-70 euros en UK o USA)
No necesitas todo el cuerpo, aunque tu mecánico seguro que sabe que habrá que calibrar la posicion del TPS con la posicion de la mariposa utilizando un multimeter-voltimetro
Los TPS se desgastan con cierta frecuencia
fernando432
Acelerando...
Acelerando...
Mensajes: 112
Registrado: 29 Oct 2011 10:40
Ubicación: Elda (Alicante)

Re: CUERPO DE MARIPOSA

Mensaje sin leer por fernando432 »

Rota escribió:Bueno, eso es mas fácil de arreglar y mucho más barato
Tu coche, como todos los de inyección electrónica, tiene incorporado al cuerpo del acelerador un THROTTLE POSITION SENSOR,(TPS) fabricado por DENSO, con un conector de 4 "pines" y sujeto al cuerpo con dos tornillos torx de 5 puntas (no 6)
Mira en la superficie visible del TPS Denso y ahí está claramente grabada la referencia del fabricante. Damela y te indicaré donde comprarla (unos 60-70 euros en UK o USA)
No necesitas todo el cuerpo, aunque tu mecánico seguro que sabe que habrá que calibrar la posicion del TPS con la posicion de la mariposa utilizando un multimeter-voltimetro
Los TPS se desgastan con cierta frecuencia
Muchas gracias Augusto!, mañana le preguntare, espero que tengas razón y sepa de todo esto. A mi desde luego me suena a ciencia ficción. Algun dia me explicaras como has llegado a consenguir ese conocimiento exhautivo, yo tardaria tres vidas!

Un abrazo,

Fernando
Rota
Buen Crucero...
Buen Crucero...
Mensajes: 542
Registrado: 30 Sep 2013 16:58

Re: CUERPO DE MARIPOSA

Mensaje sin leer por Rota »

probablemente yo tardaría otras tres vidas en conocer las cosas que seguro que son de tu campo de conocimientos. Ya sabes, nadie sabe todo de nada, ni nadie puede saber todo lo que es digno de conocimiento...
lo de los coches es uno de los varios focos de atención que mantengo.

El sensor en cuestión, podría tener la referencia 198500-3300 (Denso)
Estos sensores son en realidad resistencias variables que con el uso se desgastan y dan algunos fallos.
Comprobemos que ese es el de tu coche y lo tenemos localizado
fernando432
Acelerando...
Acelerando...
Mensajes: 112
Registrado: 29 Oct 2011 10:40
Ubicación: Elda (Alicante)

Re: CUERPO DE MARIPOSA

Mensaje sin leer por fernando432 »

Rota escribió:probablemente yo tardaría otras tres vidas en conocer las cosas que seguro que son de tu campo de conocimientos. Ya sabes, nadie sabe todo de nada, ni nadie puede saber todo lo que es digno de conocimiento...
lo de los coches es uno de los varios focos de atención que mantengo.

El sensor en cuestión, podría tener la referencia 198500-3300 (Denso)
Estos sensores son en realidad resistencias variables que con el uso se desgastan y dan algunos fallos.
Comprobemos que ese es el de tu coche y lo tenemos localizado
A ver, que mi mecanico me dice que es la centralita del cuerpo del mariposa lo que esta fallando. Por lo visto el dichoso cuerpo de mariposa tiene dos componentes electronicos, la famosa centralita y algo asi como un regulador (creo que es el nombre que el le ha dado), este ultimo es el que presupone que se le ha pedido la referencia y que segun manifiesta no esta estropeado.
Realmente no se que pensar!!!.

Un abrazo afectuoso
jalvarez
Cortando encendido...
Cortando encendido...
Mensajes: 2998
Registrado: 08 Abr 2010 13:07
Ubicación: Madrid

Re: CUERPO DE MARIPOSA

Mensaje sin leer por jalvarez »

Hola fernando432:

Tu mecánico y Augusto (Rota) dicen lo mismo. Augusto refiere los 2 componentes que incluye con un sólo nombre TPS y tu mecánico refiere como centralita el actuador, es decir el motorcito que abre y cierra la mariposa y como sensores la otra parte que incluye los sensores. Pongo una foto recortada del esquema Fig. 03.4 en el que se identifican los 2 conectores:
- Conector PI16 del sensor, que tiene 10 contactos/pines (lo pone en la página 43 del manual eléctrico 1999-2000)
- Conector PI44 del actuador, que tiene 10 contactos/pines (lo pne en la página 43 del manual eléctrico 1999-2000)

Ambos conectores están físicamente piezas fijadas al cuerpo de mariposa (ON THROTTLE BODY) lo pone en la misma página 43.

Lo que tu mecánico llama "centralita" es el actuador, que es el motor eléctrico calibrado que abre y cierra la mariposa para permitir más o menos paso de aire. Tu mecánico le llama centralita porque en el conector de 10 contactos/pines hay 2 que son para el bus SCP (Standard Corporate Protocol), a través del cual el actuador informa a todos los ECUs que quieran escuchar (que no sabemos cuales son) su estado. El ordenador PTEC da instrucciones al motorcito eléctroco con los cables que entran al TPS por los pines 2 y 3. Esto se deduce de ver dentro del PTEC (que en el esquema lo llama POWERTRAIN CONTROL MODULE) que las señales tienen un triangulito con una "o" dentro, que quiere decir "output" (salida en inglés) y el motorcito informa al PTEC de su posición con el cable que está conectado al pin 9 del TPS. Esto se deduce de ver dentro del PTEC que la señal tien un triangulito con una "i" dentro, que quiere decir "input" (entrada en inglés). Lo de informar por bus SCP, significa que envia datos codificados por dichos 2 hilos, no son estados eléctricos.
TPS.jpg
En este esquema los cables salen por la parte superior. Las letras que tiene asociadas los cables es el color de su cubierta:
W: White (blaqnco)
S: Slate (gris)
U: Blue (azul)
GY: Green-Yellow (verde-amarillo)
B: Black (negro)
la correspondencia de colores la tienes en la página 15 del manual eléctrico 1999-2000

Los 2 circulos que tienen internamente los números 72P y 71P (P=Power=potencia) significa que la alimentación se proporciona cuando giras la llave de arranque a la posición II. Esto se ve porque en el pie de pagina indica que los circulitos con valores dentro entre 66P y 88P están en el esquema Fig. 01.6. Si vas a dicho esquema observarás que se alimentan del relé POWERTRAIN CONTROL RELAY 1, cuya bobina de excitación se alimenta del circulito con un 10 dentro, que si vas al esquema Fig. 01.4 observarás que lo activa la llave de arranque en la posición II.

Saludos
Javier
fernando432
Acelerando...
Acelerando...
Mensajes: 112
Registrado: 29 Oct 2011 10:40
Ubicación: Elda (Alicante)

Re: CUERPO DE MARIPOSA

Mensaje sin leer por fernando432 »

jalvarez escribió:Hola fernando432:

Tu mecánico y Augusto (Rota) dicen lo mismo. Augusto refiere los 2 componentes que incluye con un sólo nombre TPS y tu mecánico refiere como centralita el actuador, es decir el motorcito que abre y cierra la mariposa y como sensores la otra parte que incluye los sensores. Pongo una foto recortada del esquema Fig. 03.4 en el que se identifican los 2 conectores:
- Conector PI16 del sensor, que tiene 10 contactos/pines (lo pone en la página 43 del manual eléctrico 1999-2000)
- Conector PI44 del actuador, que tiene 10 contactos/pines (lo pne en la página 43 del manual eléctrico 1999-2000)

Ambos conectores están físicamente piezas fijadas al cuerpo de mariposa (ON THROTTLE BODY) lo pone en la misma página 43.

Lo que tu mecánico llama "centralita" es el actuador, que es el motor eléctrico calibrado que abre y cierra la mariposa para permitir más o menos paso de aire. Tu mecánico le llama centralita porque en el conector de 10 contactos/pines hay 2 que son para el bus SCP (Standard Corporate Protocol), a través del cual el actuador informa a todos los ECUs que quieran escuchar (que no sabemos cuales son) su estado. El ordenador PTEC da instrucciones al motorcito eléctroco con los cables que entran al TPS por los pines 2 y 3. Esto se deduce de ver dentro del PTEC (que en el esquema lo llama POWERTRAIN CONTROL MODULE) que las señales tienen un triangulito con una "o" dentro, que quiere decir "output" (salida en inglés) y el motorcito informa al PTEC de su posición con el cable que está conectado al pin 9 del TPS. Esto se deduce de ver dentro del PTEC que la señal tien un triangulito con una "i" dentro, que quiere decir "input" (entrada en inglés). Lo de informar por bus SCP, significa que envia datos codificados por dichos 2 hilos, no son estados eléctricos.
TPS.jpg
En este esquema los cables salen por la parte superior. Las letras que tiene asociadas los cables es el color de su cubierta:
W: White (blaqnco)
S: Slate (gris)
U: Blue (azul)
GY: Green-Yellow (verde-amarillo)
B: Black (negro)
la correspondencia de colores la tienes en la página 15 del manual eléctrico 1999-2000

Los 2 circulos que tienen internamente los números 72P y 71P (P=Power=potencia) significa que la alimentación se proporciona cuando giras la llave de arranque a la posición II. Esto se ve porque en el pie de pagina indica que los circulitos con valores dentro entre 66P y 88P están en el esquema Fig. 01.6. Si vas a dicho esquema observarás que se alimentan del relé POWERTRAIN CONTROL RELAY 1, cuya bobina de excitación se alimenta del circulito con un 10 dentro, que si vas al esquema Fig. 01.4 observarás que lo activa la llave de arranque en la posición II.

Saludos
Javier
Gracias Javier, entonces definitivamente el tps es todo el componente electronico del cuerpo de mariposa, es decir es todo el mecanismo!!!
jalvarez
Cortando encendido...
Cortando encendido...
Mensajes: 2998
Registrado: 08 Abr 2010 13:07
Ubicación: Madrid

Re: CUERPO DE MARIPOSA

Mensaje sin leer por jalvarez »

Hola Fernando432:

Físicamente son 2 componentes, tal como se ve en el esquema que he puesto, si bien actuan de forma conjunta, controlados por el ordenador que gobierna el motor, que en la literatura asociada a este Model Year 1999-2000, Jaguar lo refiere indistintamente como:
1.- PTEC (Powertrain Electronic Control)
2.- PCM (Powertrain Control Module)
3.- ECM (Engine Control Module)

Tal como ha comentado Rota (Augusto), el motorcito eléctrico, debe tener adosado un sensor de posición, basado en una resistencia (como las válvulas EGR del motor 2.7 diésel), que está conectado al pin PI1-25 del PCM/ECM/PTEC y si buscas con el lector de PDF el texto "PI1-25" en el manual pone ACTUAL THROTTLE ANGLE (ángulo real del acelerador), la salida del motorcito hacia el PCM/ECP/PTEC transporta entre 0 y 20mA (en un entorno eléctricamente ruidoso como un motor, se transporta el estado en corriente en lugar de en tensión, porque es más inmune a la interferencia electromagnética). A esto se refería Rota cuando indicaba en una de sus intervenciones anteriores, que tu mecánico tenía que ajustar con un polímetro/amperímetro la calibración.

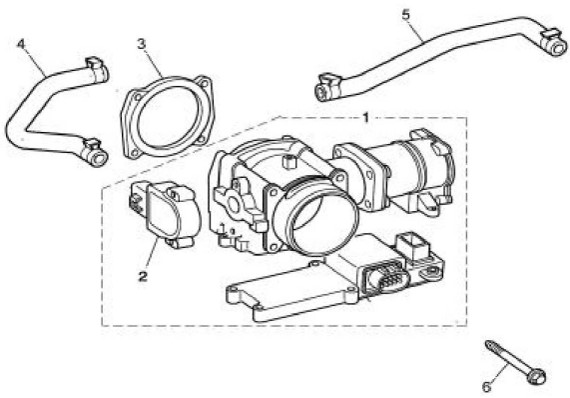
Pero debes hacer una foto con el móvil de ambos 2 componentes, en los que se identifique la referencia de Denso (fabricante del PTEC/PCM/ECM y de todos los sensores y actuadores que se conectan a el), para que Rota los pueda localizar, que es la respuesta que está pendiente de tu parte.

Si pones una foto del conjunto, es más facil saber lo que hay que buscar. Según el JEPC, sería algo como lo siguiente:
foto.jpg
foto.jpg (41.89 KiB) Visto 28299 veces
Observa que tiene 2 enchufes para cables, uno para el sensor y otro para el actuador. El del sensor (pieza 2), no se ve. El del actuador se ve el conector externo y el conector con el motorcito que hace girar la mariposa.

Saludos
Javier
Rota
Buen Crucero...
Buen Crucero...
Mensajes: 542
Registrado: 30 Sep 2013 16:58

Re: CUERPO DE MARIPOSA

Mensaje sin leer por Rota »

efectivamente, como bien dice Javier, hay dos conjuntos con funciones distintas:
uno mueve la mariposa del acelerador (al mover el pedal)
otro detecta en qué posición está en cada momento esa mariposa (la pieza nº 2 del esquema aportado por Javier) Yo me refiero a esta pieza nº 2 porque es la que con más frecuencia produce problemas (una resistencia variable con sus desgastes). El mecánico sabrá bien cual de los dos componentes causa el problema
fernando432
Acelerando...
Acelerando...
Mensajes: 112
Registrado: 29 Oct 2011 10:40
Ubicación: Elda (Alicante)

Re: CUERPO DE MARIPOSA

Mensaje sin leer por fernando432 »

Rota escribió:efectivamente, como bien dice Javier, hay dos conjuntos con funciones distintas:
uno mueve la mariposa del acelerador (al mover el pedal)
otro detecta en qué posición está en cada momento esa mariposa (la pieza nº 2 del esquema aportado por Javier) Yo me refiero a esta pieza nº 2 porque es la que con más frecuencia produce problemas (una resistencia variable con sus desgastes). El mecánico sabrá bien cual de los dos componentes causa el problema


Bueno, espero que se me disculpe por la ausencia, problemas personales me han mantenido apartado de la afición y del coche.

Por cierto, tuve una rotura del brazo de suspensión delantero izquierdo, que se ha solucionado con la compra en desguace de esa pieza (50 euros + mano de obra).

En lo referente al cuerpo de mariposa, la referencia creo que es esta:XR8F-9E928-AE, me dice el mecánico que un poco mas bajo aparece también la siguiente numeración 0O16a y mas abajo 0163.

UN abrazo,
Rota
Buen Crucero...
Buen Crucero...
Mensajes: 542
Registrado: 30 Sep 2013 16:58

Re: CUERPO DE MARIPOSA

Mensaje sin leer por Rota »

La referencia del TPS (Throttle position sensor) fabricado por DENSO para Jaguar, es 198500-3300
la puedes encontrar en UK, NewpartAutomotive a unas 50 libras esterlinas + 10 de portes (nuevas)

las dos numeraciones 0016a y 0163 estan relacionadas con números de lotes de fabricación;

La referencia que utiliza Jaguar, XR8F-9E928-ae, solo la he localizado usada (desguaces) Denso no suministra directamente a usuarios, solo a Distribución de recambios Jaguar.

Yo compraría la DENSO a NewpartAutomotive. (tienes que manejarte en inglés y pagar con tarjeta)
En USA, son mucho más caras, más de 200 dolares + portes (!!)
fernando432
Acelerando...
Acelerando...
Mensajes: 112
Registrado: 29 Oct 2011 10:40
Ubicación: Elda (Alicante)

Re: CUERPO DE MARIPOSA

Mensaje sin leer por fernando432 »

Rota escribió:La referencia del TPS (Throttle position sensor) fabricado por DENSO para Jaguar, es 198500-3300
la puedes encontrar en UK, NewpartAutomotive a unas 50 libras esterlinas + 10 de portes (nuevas)

las dos numeraciones 0016a y 0163 estan relacionadas con números de lotes de fabricación;

La referencia que utiliza Jaguar, XR8F-9E928-ae, solo la he localizado usada (desguaces) Denso no suministra directamente a usuarios, solo a Distribución de recambios Jaguar.

Yo compraría la DENSO a NewpartAutomotive. (tienes que manejarte en inglés y pagar con tarjeta)
En USA, son mucho más caras, más de 200 dolares + portes (!!)
Buenos dias Augusto y buenos dias a todos,

La referencia 198500-3300 coincide con la del jaguar x-type. Yo encontré esto. ¿Es la misma pieza?

http://spanish.ceoautoparts.com/product ... 62644.html
Responder